RESOLUCIÓN 77507 DE 2016
(noviembre 10)
Diario Oficial No. 50.058 de 15 de noviembre de 2016
<Ver Art. 4 entrada en vigencia>
SUPERINTENDENCIA DE INDUSTRIA Y COMERCIO
Por la cual se adiciona el Capítulo Séptimo en el Título VI de la Circular Única y se reglamenta el control metrológico aplicable a surtidores, dispensadores y/o medidores de combustibles líquidos.
EL SUPERINTENDENTE DE INDUSTRIA Y COMERCIO,
en ejercicio de facultades legales, en especial, las que confieren la Ley 1480 de 2011 y los Decretos números 4886 de 2011 y 1074 de 2015, y
CONSIDERANDO:
Que el artículo 334 de la Constitución Política faculta al Estado para intervenir por mandato de la ley en la producción, distribución, utilización y consumo de los bienes para racionalizar la economía con el fin de obtener el mejoramiento de la calidad de vida de los habitantes, los beneficios del desarrollo y la prevención de un ambiente sano;
Que el artículo 78 de la Constitución Política, prevé: “[l]a ley regulará el control de calidad de bienes y servicios ofrecidos y prestados a la comunidad, así como la información que debe suministrarse al público en su comercialización. Serán responsables, de acuerdo con la ley, quienes en la producción y en la comercialización de bienes y servicios, atenten contra la salud, la seguridad y el adecuado aprovisionamiento a consumidores y usuarios”;
Que el artículo 3o de la Ley 155 de 1959 dispone que: “[e]l Gobierno intervendrá en la fijación de normas sobre pesas y medidas, calidad, empaque y clasificación de los productos, materias primas y artículos o mercancías con miras a defender el interés de los consumidores y de los productores de materias primas”;
Que el artículo 2.2.1.7.14.2[1] del Decreto número 1074 de 2015 Decreto Único Reglamentario, señala que: “Todos los equipos, aparatos, medios o sistemas que sirvan como instrumentos de medida o tengan como finalidad la actividad de medir, pesar o contar y que sean utilizados en el comercio, en la salud, en la seguridad o en la protección del medio ambiente o por razones de interés público, protección al consumidor o lealtad en las prácticas comerciales, deberán cumplir las disposiciones y los requisitos establecidos en el presente decreto y con los reglamentos técnicos metrológicos que para tal efecto expida la Superintendencia de Industria y Comercio y, en su defecto, con las recomendaciones de la Organización Internacional de la Metrología Legal (OIML) para cada tipo de instrumento”;
Que el artículo 2.2.1.7.14.3[2] del Decreto número 1074 de 2015, establece que: “En especial, están sujetos al cumplimiento de lo establecido en el presente capítulo los instrumentos de medida que sirvan para medir, pesar o contar y que tengan como finalidad, entre otras:
1. Realizar transacciones comerciales o determinar el precio de servicios. (…)”;
Que el artículo 2.2.1.7.14.1 ibídem, precisa que “La Superintendencia de Industria y Comercio es la Entidad competente para instruir y expedir reglamentos técnicos metrológicos para instrumentos de medición sujetos a control metrológico.
“(…)
“La Superintendencia de Industria y Comercio podrá además implementar las herramientas tecnológicas o informáticas que considere necesarias para asegurar el adecuado control metrológico e instruirá la forma en que los productores, importadores, reparadores y responsables de los instrumentos de medición, reportarán información al sistema. (…).
“La Superintendencia de Industria y Comercio reglamentará las condiciones y los requisitos de operación de los Organismos Autorizados de Verificación Metrológica y Organismos Evaluadores de la Conformidad que actúen frente a los instrumentos de medición”;
Que de conformidad con lo ordenado en los numerales 47, 48, 50, 51, 54 y 55 del artículo 1o del Decreto número 4886 de 2011, le corresponde a la Superintendencia de Industria y Comercio, entre otras funciones, respectivamente: “47. Organizar e instruir la forma en que funcionará la metrología legal en Colombia. 48. Ejercer funciones de control metrológico de carácter obligatorio en el orden nacional. 50. Establecer el procedimiento e instruir la forma en que se hará la aprobación de modelo para los instrumentos de medida que cuenten con la respectiva aprobación de modelo. 51. Ejercer el control sobre pesas directamente o en coordinación con las autoridades del orden territorial. 54. Fijar las tolerancias permisibles para efectos del control metrológico”. Y, “55. Expedir la reglamentación para la operación de la metrología legal”;
Que teniendo en cuenta lo establecido en los numerales 4 y 9 del artículo 14 del Decreto número 4886 de 2011, es función del Superintendente Delegado para el Control y Verificación de Reglamentos Técnicos y Metrología Legal, en especial: “4. Fijar las tolerancias permisibles para efectos del control metrológico”. Y, 9. Estandarizar métodos y procedimientos de medición y calibración, así como un banco de información para su difusión”;
Que en virtud de lo previsto en los numerales 8 y 9 del artículo 59 de la Ley 1480 de 2011, se faculta a la Superintendencia de Industria y Comercio para ordenar la suspensión inmediata y de manera preventiva de la producción o comercialización de productos cuando se tenga indicios graves de que dicho producto no cumple, entre otros, con el reglamento técnico correspondiente, o para evitar que se cause daño o perjuicio a los consumidores por violación a las normas sobre protección al consumidor;
Que en el numeral 2 del artículo 2.2.1.7.14.4. del Decreto número 1074 de 2015, modificado por el artículo 3o del Decreto número 1595 de 2015, se dispone que: “(…) Toda persona que use o mantenga un instrumento de medición que sea usado en cualquiera de las actividades relacionadas con el presente capítulo será responsable del buen funcionamiento y de la conservación del instrumento de medición, en cuanto a sus características metrológicas obligatorias y a la confiabilidad de sus mediciones, así como del cumplimiento del reglamento técnico metrológico correspondiente. Igualmente deberá permitir la realización de las verificaciones periódicas establecidas en el reglamento técnico o las que se hagan después de una reparación o modificación del instrumento, a su costa, permitiendo el acceso al instrumento de medición y a los documentos pertinentes”;
Que a efectos de desarrollar lo dispuesto en los artículos 2.2.1.7.14.1. y siguientes del Decreto número 1074 de 2015 y lo previsto en la Resolución SIC número 64190 de 2015, y para impulsar la defensa de los intereses económicos de los consumidores y usuarios, se hace necesario determinar los requisitos que deben cumplir los surtidores, dispensadores y/o medidores de combustibles líquidos producidos en Colombia o importados al país, para efectos de ser declarada su conformidad, y ser utilizados en Colombia, por lo cual es necesario adoptar las disposiciones establecidas en la presente resolución;
Que el presente proyecto de resolución fue publicado en la página web de la Superintendencia de Industria y Comercio en dos (2) oportunidades, entre el 5 y 27 de marzo de 2015, y entre el 20 y 26 de noviembre de 2015, el cual fue objeto de observaciones por parte de terceros;
Que de conformidad con lo establecido en el 2.2.1.7.5.6 del Decreto número 1074 de 2015, esta Superintendencia solicitó a la Dirección de Regulación del Ministerio de Comercio, Industria y Turismo, con Oficio número 15-311687-0, concepto previo a la notificación internacional ante la Organización Mundial del Comercio (OMC), acerca del cumplimiento de la presente reglamentación con los lineamientos del Subsistema Nacional de la Calidad y si la misma podría llegar a crear obstáculos técnicos innecesarios al comercio con otros países;
Que mediante comunicación con Radicado número 15-311687-3-0, la Dirección de Regulación del Ministerio de Comercio, Industria y Turismo analizando la norma conceptuó previamente a la notificación internacional en el sentido de precisar dentro del reglamento: (i) el objeto legítimo cuya protección se busca con el reglamento técnico metrológico, (ii) la individualización de los productos sujetos al cumplimiento del reglamento con inclusión de las partidas arancelarias correspondientes, (iii) el esquema de certificación adoptado dentro del proceso de evaluación de la conformidad y (iv) la fecha de entrada en vigencia del reglamento y su régimen de transición;
Las observaciones planteadas dentro del concepto previo rendido por la Dirección de Regulación del Ministerio de Comercio, Industria y Turismo fueron evaluadas en su pertinencia por esta Entidad, adoptando las que se consideraron necesarias para su cumplimiento;
Que mediante signatura G/TBT/GEN/ 65 del 14 de abril de 2016, el Ministerio de Comercio, Industria y Turismo trasladó la notificación internacional de esta resolución ante los países miembros de la OMC y de la CAN, al igual que a los socios comerciales, informando que al cabo de los noventa días de haberse notificado el proyecto no se presentaron observaciones;
Que el Superintendente Delegado para la Protección de la Competencia mediante memorando con Radicación número 15-311687-12 del 23 de agosto de 2016, rindió concepto previo de abogacía de la competencia sobre la presente reglamentación concluyendo que la adopción del estándar internacional contemplado en la Recomendación OIML R 117 primera parte, “Sistemas Dinámicos de Medición de Líquidos Diferentes del Agua, Requisitos Metrológicos y Técnicos”, “reduce los impactos negativos que el mismo pueda tener en la libre competencia económica”. Del mismo modo señaló que la expedición de reglamentos técnicos se justifica y admite dentro del marco del Acuerdo de Obstáculos Técnicos al Comercio “siempre que dichos reglamentos no generen obstáculos innecesarios al comercio” y “cuando la misma sea necesaria para alcanzar un objetivo legítimo, tal como ocurre en el presente caso, puesto que el objetivo del proyecto es reducir o eliminar la inducción a error de los consumidores”;
Sin perjuicio de lo anterior, con el fin de reducir los impactos negativos que la presente reglamentación pudiera tener en la libre competencia económica, se pronunció frente al capítulo de evaluación de la conformidad de los medidores de combustibles[3] (numeral 7.7.1.2) y frente a la prohibición de comercialización y uso del medidor de combustible que eventualmente no esté sujeto a control metrológico contemplada en el reglamento técnico (numeral 7.9), observaciones que esta Entidad consideró relevantes y adoptó sin condicionamientos,
RESUELVE:
ARTÍCULO 1o. Adicionar el Capítulo Séptimo en el Título VI METROLOGÍA LEGAL de la Circular Única de la Superintendencia de Industria y Comercio, el cual quedará así:
<Ver modificaciones a este capítulo directamente en la Circular Única>
CAPÍTULO SÉPTIMO. REGLAMENTO TÉCNICO METROLÓGICO APLICABLE A SURTIDORES, DISPENSADORES Y/O MEDIDORES DE COMBUSTIBLES LÍQUIDOS
7.1. Objeto. El presente reglamento técnico es aplicable a los surtidores, dispensadores y/o medidores de combustibles líquidos, utilizados para determinar la cantidad (volumen) de hidrocarburos que se expende y comercializa en las estaciones de servicio (EDS) vehicular y fluvial públicas de acuerdo con las definiciones previstas en los artículos 2.2.1.1.2.2.1.4 y 2.2.1.1.2.2.1.5 del Decreto número 1073 de 2015 Decreto Único Reglamentario del Sector Administrativo de Minas y Energía, con el fin de reducir o eliminar la inducción a error a los consumidores y usuarios en general, asegurando la calidad de las mediciones que proveen este tipo de instrumentos de medición.
Para cumplir este objetivo, el presente reglamento fija los requisitos técnicos, metrológicos y administrativos que deben cumplir los surtidores, dispensadores y/o medidores de combustibles líquidos, establece el procedimiento de evaluación de la conformidad, define las obligaciones para fabricantes e importadores y dispone el procedimiento de verificación metrológica para los medidores de combustibles líquidos que son utilizados en estaciones de servicio (EDS).
7.2. Ámbito de aplicación. Los requisitos técnicos, metrológicos y administrativos de este reglamento técnico son aplicables a los surtidores, dispensadores y/o medidores de combustibles líquidos que son utilizados para determinar la cantidad (volumen) de combustibles líquidos que se comercializa en las estaciones de servicio (EDS) del país, y cuya partida arancelaria se define a continuación:
| Ítem No | Partida No | Descripción Arancelaria | Productos |
| 1 | 8413110000 | Bombas para líquidos, incluso con dispositivo medidor incorporado. | Bombas con dispositivo medidor incorporado o concebidas para llevarlo. Bombas para distribución de carburantes o lubricantes, de los tipos utilizados en gasolineras, estaciones de servicio o garajes. |
PARÁGRAFO 1o. El presente reglamento técnico no aplica para productos que a pesar de encontrarse incluidos en la subpartida arancelaria descrita atrás, no son surtidores, dispensadores o medidores de combustibles líquidos de los indicados en el numeral 7.1. No obstante, si un medidor de combustibles líquidos ingresa al país bajo una partida arancelaria distinta de aquella descrita en este numeral, está sujeto al cumplimiento de las disposiciones contempladas en este reglamento.
Con independencia de la clasificación o no del producto en la partida arancelaria, están sometidos a control metrológico todos aquellos surtidores, dispensadores y/o medidores de combustibles líquidos que sean utilizados para determinar la cantidad (volumen) del combustible líquido que se expende en las estaciones de servicio vehicular y fluvial públicas de acuerdo con las definiciones previstas en los artículos 2.2.1.1.2.2.1.4 y 2.2.1.1.2.2.1.5 del Decreto número 1073 de 2015.
PARÁGRAFO 2o. EXCEPCIÓN DE DEMOSTRACIÓN DE CONFORMIDAD. Sin perjuicio de lo dispuesto en este numeral, podrán ingresar al mercado nacional medidores de combustible líquidos de producción extranjera sin demostrar conformidad, cuando vayan a ser objeto de certificación en el país por parte de un Organismo Evaluador de la Conformidad (OEC), siempre que se haya celebrado un contrato entre productor/importador y OEC para ese propósito.
7.3. Definiciones. Para efectos de la aplicación e interpretación del presente reglamento técnico metrológico se deberán tener en cuenta las definiciones incluidas en el artículo 2.2.1.7.2.1 del Decreto número 1074 de 2015, y aquellas contenidas en el numeral 3.3 de la Resolución SIC 64190 del 16 de septiembre de 2015 que le sean aplicables.
Adicionalmente, se deberán considerar las siguientes definiciones:
– Cantidad de Medida Mínima (CMM). La cantidad de medida mínima de líquido para la cual la medición es aceptable por el medidor de combustible desde el punto de vista metrológico.
– Calculador. Parte del contador que recibe las señales del transductor o de los transductores de medición y, en su caso, de unos instrumentos de medición asociados, e indica los resultados de la medición.
– Condiciones base de funcionamiento. Corresponde a los valores específicos de las condiciones en que la cantidad de líquido medida es convertida (ejemplo temperatura base y presión del líquido medido).
Esta definición, que hace referencia al volumen de líquido medido o indicado por un instrumento; no debe confundirse con condiciones nominales de funcionamiento o condiciones de referencia que aplican a magnitudes de influencia.
– Contador. Instrumento concebido para medir de forma continuada, memorizar e indicar, en las condiciones de medición, la cantidad de líquido que pasa a través del transductor de medición en un circuito cerrado y a plena carga.
– Dispositivo de autoservicio: Un dispositivo específico que forma parte de una modalidad de autoservicio y que permite a uno o varios sistemas de medición funcionar dentro de dicha modalidad de autoservicio.
– Indicación directa: La indicación en volumen correspondiente a la cantidad sujeta a medición que el contador es capaz de medir físicamente.
Nota: la indicación directa puede convertirse en una indicación a otra cantidad por medio de un dispositivo de conversión.
– Instrumento de medida asociado. Un instrumento conectado al calculador para medir determinadas magnitudes que son características del líquido, con objeto de efectuar una corrección o conversión.
– Intervalo del caudal del líquido. El intervalo entre el caudal mínimo (Qmin) y el caudal máximo (Qmax).
– Modalidad de autoservicio. Una modalidad que permite al cliente usar un medidor de combustible directamente para su uso particular.
– Sistema de medida. Sistema que incluye el propio contador y todos los dispositivos necesarios para garantizar una medición correcta, o destinados a facilitar las operaciones de medición.
– Medidor de combustible. Es un sistema de medida concebido para aprovisionar de combustible a vehículos automóviles, pequeñas embarcaciones y pequeñas aeronaves. Se llama surtidor cuando en su interior se encuentra el motor y la bomba que hacen que el combustible llegue desde el tanque subterráneo hasta la pistola que despacha. Se llama dispensador cuando la bomba y el motor están sumergidos en el tanque subterráneo desde donde se impulsa el combustible hacia la pistola que despacha.
En la presente norma siempre que se refiera a surtidor, dispensador y/o medidor de combustibles líquidos, o simplemente medidor, se está haciendo referencia a los surtidores, dispensadores de combustibles líquidos que se utilizan para expender combustibles líquidos en las estaciones de servicio del país directamente al consumidor y que están sujetos a control metrológico.
– Medidor de combustible interrumpible o no interrumpible. Un medidor de combustible se considera interrumpible/no interrumpible cuando el flujo de líquido puede o no puede pararse fácil y rápidamente.
Para efectos de la terminología básica usada en el marco de la metrología legal, se tendrá en cuenta el Vocabulario Internacional de Términos en Metrología Legal (VIML) OIML V 1:2013 o del documento OIML que lo adicione, modifique, aclare o sustituya.
7.4. Unidades de medida. Los surtidores, dispensadores y/o medidores de combustibles líquidos que se encuentren en operación a la entrada en vigencia de la presente reglamentación, podrán continuar proveyendo sus resultados de medida en Galones (gal). No obstante, para efectos de la demostración de la conformidad de este tipo de instrumento de medición producidos o importados al país a la fecha de entrada en vigencia de este reglamento técnico metrológico, se deben realizar las pruebas y ensayos señalados en el Anexo Técnico utilizando como unidad de medida el Litro (I, L), y el medidor a ensayar debe permitir el ajuste de la indicación del resultado de medida en Litros (I, L) y en galones (gal), teniendo en cuenta la siguiente conversión:
1 Galón (U.S) (gal) = 3,785 412 E+00 Litros (L)
7.5. Requisitos generales
7.5.1. Condiciones nominales de funcionamiento. Las condiciones nominales de funcionamiento de medidor de combustible son definidas por el productor o importador por las siguientes características:
– Cantidad de Medida Mínima (CMM).
– Intervalo del caudal de líquido delimitado por el caudal mínimo Qmin y caudal máximo Qmax.
Nombre o tipo de líquido, o sus características relevantes cuando la indicación del nombre o tipo del líquido no es suficiente para caracterizar el líquido. El rango de presión del líquido limitado por la presión mínima del líquido Pmin y presión máxima del líquido Pmax.
– El rango de temperatura limitado por la temperatura mínima del líquido Tmin y la temperatura máxima del líquido Tmax.
– El rango del número de Raynold (si aplica) que cuando es indicado por el medidor no es necesario especificar el intervalo de caudal del líquido.
– Niveles de gravedad que corresponden a condiciones climáticas, de electricidad y condiciones mecánicas del ambiente bajo las cuales el medidor está construido para ser expuesto, y
– El valor nominal de la tensión alterna de alimentación, límites de tensión continua de alimentación o ambos.
El medidor debe ser utilizado exclusivamente para medir líquidos que se encuentren dentro de las condiciones nominales de funcionamiento especificadas en el certificado de examen de modelo. Del mismo modo, las condiciones nominales de funcionamiento para un medidor, están determinadas por las condiciones nominales de funcionamiento de cada uno de sus elementos constitutivos (contador, dispositivo de eliminación de gases, etc.).
7.5.2. Cantidad de medida mínima. La cantidad de medida mínima (CMM) del medidor deberá corresponder a la fórmula 1 X 10n, 2 X 10n o 5 X 10n de L, donde n es un número entero positivo o negativo o cero.
La CMM debe satisfacer las condiciones de uso del medidor. En casos especiales el sistema de medición no debe ser utilizado para medir cantidades menores a la CMM.
La CMM de un medidor no debe ser inferior a la CMM más grande de cualquiera de sus elementos constitutivos como por ejemplo medidor(es), extractor de gases, extractor de gases especiales, etc.
7.5.3. Intervalo del caudal del líquido. El intervalo del caudal del líquido de un medidor de combustible deberá estar dentro del intervalo del caudal del líquido de cada uno de sus elementos constitutivos.
El intervalo del caudal del líquido deberá satisfacer las condiciones de uso del medidor de combustible. El medidor deberá ser diseñado para que el intervalo del caudal del líquido opere dentro de los límites de Qmin y Qmax, excepto al comienzo de la medición o durante las interrupciones.
La relación entre Qmin y Qmax para el medidor del combustible debe ser al menos de 10:1.
Si dos o más contadores son montados en paralelo en un mismo medidor, los límites del intervalo del caudal (Qmin y Qmax) de los diferentes contadores deberán ser considerados, especialmente la suma de sus límites de caudal del líquido para verificar el cumplimiento de la disposición contemplada en el párrafo anterior.
7.5.4. Errores Máximos Permitidos (EMP). Para cantidades iguales o mayores a 0,5 gal o 2 L, los errores máximos permitidos, positivos o negativos, en indicaciones de cantidad, son los siguientes:
Tabla No 1.
| Línea | EMP Clase de precisión 0,5[4] |
| A(i) | 0,5% |
| B(ii) | 0,3% |
| C (igual a línea A – línea B | 0,2% |
(i) EMP aplicable en la verificación metrológica de medidores de combustible en servicio que opera en condiciones nominales de funcionamiento;
(ii) EMP aplicable para efectos de expedir certificado de examen de modelo, y certificado de conformidad de medidores de combustible.
Para cantidades inferiores a 0,5 gal o 2 L, los máximos errores permisibles, positivos o negativos, en indicación de cantidad, son los que se indican a continuación.
Tabla No 2. [4]
| Cantidad medida | Error máximo permitido en galones |
| De 0,2 a 0,5 gal | Valor fijado en la Tabla 1 aplicado a 0,5 gal |
| De 0,1 a 0,2 gal | 2 veces el valor fijado en la Tabla 1 aplicado a CMM para cálculos Emin |
| De 0,05 a 0,1 gal | 2 veces el valor fijado en la Tabla 1 aplicado a 0,1 gal |
| De 0,02 a 0,05 gal | 4 veces el valor fijado en la Tabla 1 aplicado a CMM para cálculos Emin |
| Menos de 0,02 gal | 4 veces el valor fijado en la Tabla 1 aplicado a 0,02 gal |
| Cantidad medida | Error máximo permitido en litros |
| De 1 a 2 L | Valor fijado en la Tabla 1, aplicado a 2 L |
| De 0,4 a 1 L | 2 veces el valor fijado en la Tabla 1 aplicado a CMM para cálculos Emin |
| De 0,2 a 0,4 L | 2 veces el valor fijado en la Tabla 1 aplicado a 0,4 L |
| De 0,1 a 0,2 L | 4 veces el valor fijado en la Tabla 1 aplicado a CMM para cálculos Emin |
| Menos de 0,1 L | 4 veces el valor fijado en la Tabla 1 aplicado a 0,1 L |
Las reglas expresadas en las líneas A y B de la Tabla No 1, aplican para la determinación de los máximos errores permitidos expresados en la Tabla No 2.
Sin importar cuál es la cantidad medida, la magnitud de EMP está dada por el valor absoluto positivo del EMP expresado en la Tabla No 1 o Tabla No 2, o en la desviación de la cantidad mínima especificada (Emin).
Para cantidades de medida mínimas mayores o iguales a 0,5 gal, la desviación de la cantidad mínima especificada (Emin) es igual a:
– Fórmula para sistemas de medición:
Emin = (2 CMM) x (A/100)
CMM = Cantidad de medida mínima (volumen)
A = el valor numérico expresado en la línea A de la tabla 1.
Para cantidades de medida mínimas inferiores a 0,5 gal, Emin es igual a 2 veces el valor expresado en la Tabla No 2 en relación con la línea A de la Tabla No 1.
Una falla significativa es aquella que es superior a cualquiera de estos valores:
– Un quinto del valor absoluto del EMP para la cantidad medida; o
– La desviación de la cantidad mínima especificada (Emin) del medidor de combustible.
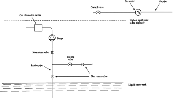
7.5.5. Dispositivo de eliminación de aire o gases. Salvo que el medidor de combustibles que se pretenda ingresar al mercado nacional sea un dispensador, el medidor de combustible deberá incorporar un dispositivo que contribuya a la apropiada eliminación de aire o gases no disueltos que puedan estar presentes en el combustible antes de ingresar al contador del medidor.
El dispositivo de eliminación de aire o gases deberá ser ajustado a las condiciones de suministro del combustible de tal manera que el efecto que produce la influencia del aire o de los gases en el resultado de medición, no exceda de 0,5% de la cantidad medida.
Los dispositivos de eliminación de gases se instalarán de conformidad con las instrucciones del fabricante.
PARÁGRAFO. Si no se prevé la instalación de un dispositivo de eliminación de gases, el fabricante o el instalador debe demostrar que no hay riesgo de entrada de aire o de liberación de gases.
7.5.6. Indicaciones. La cantidad de combustible líquido que se expende (volumen) deberá ser indicada en el dispositivo de indicación del medidor en galones (gal), debiéndose reflejar la cantidad exacta expendida en decimales de ser necesario.
El nombre de la unidad de medida o su símbolo deberá aparecer inmediatamente después de la indicación.
7.5.6.1. Dispositivo indicador. El medidor deberá estar provisto de un dispositivo indicador que proporcione la cantidad de combustible medido en las condiciones de medición establecidas.
Si el medidor posee varios dispositivos indicadores de resultados de medida, cada uno de ellos está sujeto al cumplimiento de las disposiciones contenidas en esta norma.
Sin importar si el dispositivo indicador es mecánico o digital, la lectura de las indicaciones en el medidor debe ser precisa, fácil e inequívoca sin importar la posición en la que el dispositivo indicador entre en reposo. El signo decimal debe aparecer claramente.
7.5.6.1.1. Puesta a cero del indicador de cantidad. Un dispositivo indicador de cantidad debe contar con un dispositivo auxiliar para poner la indicación en cero, ya sea por operación manual o mediante un sistema automático.
Una vez ha iniciado la operación de puesta a cero, no debe ser posible que el dispositivo indicador de cantidad muestre un resultado diferente al de la medición hecha hasta que se complete la operación de puesta a cero.
Los dispositivos indicadores en los medidores de combustible no deben tener la capacidad de reiniciarse a cero durante la medición. En otros sistemas de medición, se debe cumplir con esta disposición o se debe incluir un aviso claramente visible en el dispositivo indicador que mencione que esta operación es prohibida.
En dispositivos indicadores análogos, la indicación residual después del reinicio a cero no deberá ser mayor que la mitad de la desviación de cantidad mínima especificada.
En dispositivos indicadores digitales, la indicación de cantidad después del reinicio a cero será cero, sin ambigüedades.
7.5.6.1.2. Dispositivo indicador de precio. El indicador del medidor de combustible deberá estar complementado por un dispositivo indicador de precio o importe que debe mostrar la unidad de precio antes de la dispensación del combustible y el importe total a pagar después de dispensado el mismo.
La indicación de unidad de precio o importe deberá ser ajustable. Los cambios en el precio unitario pueden llevarse a cabo directa o indirectamente en el medidor o mediante dispositivos auxiliares, caso en el cual deben transcurrir al menos cinco (5) segundos entre la indicación de un nuevo precio unitario y el comienzo de la nueva operación de medición. Sin embargo, el precio unitario indicado al comienzo de la dispensación debe ser el mismo durante toda la transacción. Un nuevo precio unitario solo será efectivo al momento de una nueva operación de medición.
La diferencia entre el precio indicado y el precio calculado con el precio unitario y la cantidad indicada no debe superar la desviación de precio mínimo especificado.
Los dispositivos de puesta en cero del dispositivo indicador de precio y el dispositivo indicador de cantidad serán diseñados de tal manera que la puesta en cero de cualquiera de estos dispositivos indicadores involucre automáticamente la puesta en cero del otro.
El medidor de combustible que tenga incorporado un dispositivo indicador de precio, puede contar con un dispositivo de preajuste del precio, y bajo este supuesto, deberá ser diseñado de tal forma que detenga el flujo de combustible líquido cuando la cantidad entregada corresponda al precio predeterminado.
7.5.7. Dispositivo de almacenamiento de información. El medidor de combustible debe estar provisto de un dispositivo de almacenamiento de información donde se guardará registro de los resultados de medición o de las transacciones comerciales realizadas de tal forma que provea evidencia de estas circunstancias.
El dispositivo utilizado para acceder a la información almacenada se considera parte integral del dispositivo de almacenamiento de información.
El dispositivo de almacenamiento de información deberá ser diseñado y construido de tal forma que en condiciones de uso normales no sea posible alterar o modificar los datos almacenados. Del mismo modo, la información memorizada debe ser protegida contra cambios intencionales o no intencionales mediante la implementación de herramientas de software.
7.5.8. Dispositivo de preajuste. Los dispositivos de preajuste con botones o medios similares de predeterminar cantidades fijas están permitidos, siempre y cuando que estas cantidades fijas sean iguales a un número entero de unidades de volumen.
Los dispositivos de preajuste se deben instalar de tal manera que la repetición de una cantidad seleccionada no requiera una nueva configuración de los controles.
Durante la medición, la indicación de la cantidad seleccionada debe permanecer sin alteraciones o regresar progresivamente a cero. Sin embargo, para un dispositivo electrónico de preajuste se acepta indicar el valor predeterminado en el dispositivo indicador de cantidad o precio mediante una operación especial con la restricción de que este valor debe ser reemplazado por cero en la indicación de cantidad o precio antes de que la operación de medición pueda comenzar.
Las cantidades predeterminadas y las cantidades mostradas por el dispositivo indicador de cantidad deben expresarse en la misma unidad. Esta unidad (o su símbolo) debe estar marcado en el mecanismo de preajuste.
7.5.9. Medidor equipado con dispositivos electrónicos. El medidor que se haya equipado con dispositivos electrónicos, deberá ser diseñado y producido de tal forma que sus funciones metrológicas se salvaguarden y que no se excedan los EMP bajo condiciones nominales de operación.
7.5.9.1. Efectos máximos permitidos por perturbaciones electromagnéticas. El surtidor, dispensador y/o medidor de combustibles líquidos no interrumpible que incorpore elementos electrónicos, debe ser diseñado y fabricado de tal manera que al ser expuesto a las perturbaciones establecidas en el numeral A.11 del Anexo A de la Recomendación OIML R -117 parte 1 (i) no ocurran fallos significativos y (ii) los dispositivos de verificación detecten y actúen en consecuencia con lo señalado en el numeral 7.5.9.3 del presente reglamento técnico frente a fallos significativos o frente a cualquier imprecisión en la generación, transmisión, procesamiento o indicación de los resultados de medida.
En cualquier caso, el medidor de combustibles líquidos debe permitir la recuperación del resultado de la medición justo antes de que ocurra una falla y la misma sea detectada por los dispositivos de verificación.
7.5.9.2. Dispositivo de suministro de energía. El medidor de combustible deberá estar equipado con un dispositivo que se active automáticamente para salvaguardar las funciones de medición durante la interrupción de la fuente de energía principal, al menos durante quince (15) minutos continuos, o bien estar equipados con un medio que permita salvaguardar y visualizar los datos que se obtienen de una medición actual, para permitir concluir la transacción en curso más adelante o su terminación a elección del consumidor.
Igualmente deberán incorporar un medio de interrupción del flujo de líquido cuando se presente una interrupción en el suministro de la fuente principal de energía eléctrica.
7.5.9.3. Dispositivo de verificación. El medidor de combustible deberá incorporar un dispositivo de verificación con capacidad de detectar errores en la generación, transmisión, procesamiento y/o indicación de datos que arroje la medición.
En medidores de combustibles interrumpibles, este dispositivo podrá funcionar bien mediante: (i) una alarma visible o audible que llame la atención del operador y/o titular del medidor de combustible, (ii) parando únicamente el dispositivo defectuoso cuando el sistema de medición sigue cumpliendo con los demás requisitos establecidos en este reglamento técnico, o, (ii) detención del flujo de combustible que se expende.
Tratándose de medidores de combustible no interrumpibles, el funcionamiento de este dispositivo deberá ser: (i) mediante la corrección automática del mal funcionamiento o mediante (ii) una alarma visible y audible que llame la atención del operador y/o titular del medidor la cual únicamente se puede interrumpir hasta que se elimine el error detectado o se deje el instrumento fuera de servicio. Adicionalmente, cuando el medidor de combustible transmite datos a dispositivos auxiliares, la transmisión deberá acompañarse de un mensaje que indique la presencia de un mal funcionamiento.
El dispositivo de verificación deberá ser diseñado y fabricado de tal manera que verifique la presencia del medidor, su correcta operación y la exactitud de la transmisión de datos.
Cuando las señales generadas por el medidor sean pulsos, el dispositivo de verificación deberá detectar las fallas significativas y tomar las acciones correspondientes.
Para efectos de la certificación del examen de modelo, el organismo evaluador de la conformidad respectivo deberá verificar el correcto funcionamiento de este dispositivo bien sean (i) mediante la desconexión del transductor, (ii) interrumpiendo uno de los generadores de pulsos del sensor o (iii) interrumpiendo el suministro de energía del transductor.
Cuando el medidor de combustible sea electromagnético, porque la amplitud de las señales generadas por el medidor es proporcional al caudal de combustible del mismo, se utiliza el siguiente procedimiento de verificación:
Una señal simulada con forma similar a la señal de la medición se ingresa a la entrada del dispositivo secundario, representando un caudal entre los caudales mínimos y máximos del contador. Los dispositivos de verificación deben verificar el dispositivo primario y secundario. Se revisa el valor digital equivalente para verificar que se encuentre dentro de los límites predeterminados establecidos por el fabricante y en consistencia con los errores máximos permitidos.
Para otras tecnologías, se deben desarrollar los dispositivos de verificación que suministren niveles equivalentes de seguridad.
7.5.10. Marcado de medidores. Cada medidor de combustibles que sea fabricado o importado al país en vigencia de la presente reglamentación, deberá llevar adherida, en un lugar visible del mismo, la siguiente información:
a) Número del certificado de examen de modelo;
b) Identificación del fabricante, marca o razón social;
c) Año de fabricación;
d) Número de serie, y
e) Condiciones nominales de funcionamiento del medidor, del contador y del dispositivo de eliminación de gases (si aplica).
Esta información deberá ser posicionada en una o varias placas adheridas al medidor de combustible que garanticen que en condiciones normales de uso no sea posible removerla.
De la anterior información, al menos la cantidad de medida mínima deberá ser visible en todo momento en condiciones normales de uso del medidor.
La información a la que se hace referencia en el presente numeral no debe ser confundida con aquella información sobre condiciones de seguridad, particularmente los límites de presión y atmósferas explosivas.
PARÁGRAFO. Los medidores de combustibles líquidos que se encuentren en funcionamiento a la entrada en vigencia de la presente reglamentación que no posean adherida al instrumento la información que aquí se exige, serán objeto de regularización por parte del OAVM designado y este llevará a cabo el levantamiento de dicha información, incorporando en SIMEL como mínimo la información que se relaciona en el numeral 7.10.3.1.
7.5.11. Fijación de precintos en el medidor de combustible. Una vez el medidor de combustible haya superado satisfactoriamente la fase de evaluación de la conformidad en los términos señalados en el presente reglamento, el productor o importador deberá precintar todas aquellas partes o componentes que no puedan ser materialmente protegidas de cualquier otra manera, proveyendo una medida de seguridad contra cualquier tipo de operación que pueda afectar la precisión de las medidas que se obtienen. Para ello, se deberán utilizar precintos que, sin importar el material del que estén hechos, sean lo suficientemente durables y que dejen evidencia de su alteración o manipulación si existe.
En todos los casos, los precintos que se utilicen deben ser funcionales y de fácil acceso.
Igualmente, se deberán fijar precintos para restringir el acceso al cambio de parámetros que participan en la determinación de los resultados de medición.
El medidor deberá ser diseñado y producido de tal forma que si se desmonta o desensambla no sea posible alterar la precisión de las mediciones que provee, y particularmente, restringiendo el acceso a los parámetros que se encuentran sellados o precintados como a cualquier otro medio de ajuste.
En cada precinto de seguridad deberá fijarse un código de barras que cumpla con el estándar de captura de información establecido en la Norma Internacional ISO/IEC 18004:2015, incluyendo identificadores de aplicación y Función 1. La información que debe contener el código de barras es la siguiente: a) Identificación única, global e inequívoca del fabricante y/o importador, de trece (13) números, que no sea asignado de forma unilateral, y b) Número serial del precinto de seguridad, compuesto por una codificación alfanumérica que combine máximo veinte (20) caracteres escogidos por el productor y/o importador.
El productor y/o importador deberá documentar el proceso de colocación de precintos respectivo mediante un esquema que hará parte de la documentación técnica del medidor.
7.5.11.1. Precintado de dispositivos electrónicos. Si el medidor de combustible cuenta con un dispositivo mediante el cual se tiene acceso al cambio de parámetros que participan en la determinación de los resultados de medición sin que estén protegidos mecánicamente por medio de precintos, cualquiera sea el esquema de protección que se adopte deberá cumplir lo siguiente:
(i) El acceso al dispositivo por medio del cual se ajustan parámetros para determinar los resultados de la medición, solo deberá otorgarse a personal autorizado mediante la asignación de un nombre de usuario y contraseña, y después de cambiar los parámetros de determinación de resultados, asegurándose de que el medidor vuelva a ser puesto en servicio bajo condiciones de precintado sin ninguna restricción, o
(ii) Reconociendo acceso sin ninguna restricción al dispositivo de ajuste de parámetros para determinar los resultados de medición, pero que, después de cambiar los parámetros de determinación de resultados, el medidor solo podrá ser puesto en servicio por parte de una persona autorizada, mediante el ingreso de un nombre de usuario y contraseña.
La clave de acceso que se reconozca a la persona autorizada, deberá ser susceptible de ser modificada.
Tratándose de medidores de combustible puesto en servicio bajo la modalidad de autoservicio, no basta el uso de la clave de acceso, caso en el cual se deberá implementar un precinto mecánico como puede ser una tapa que proteja el switch o llave de encendido.
Cuando el acceso a la determinación de los parámetros de medición se obtiene por medio software en modo de configuración (modo que permite la modificación de esos parámetros), el medidor en cuestión no debe ser operado o al menos deberá indicar claramente que se encuentra en modo de configuración y deberá permanecer en ese estado hasta que el medidor sea puesto en servicio luego de bajo condiciones de precintado.
7.5.11.1.1. Registro de los cambios de parámetros. Para efectos de permitir la identificación de cambios de parámetros de determinación de resultados de medición, el dispositivo de acceso a esos parámetros deberá guardar registro de las veces en que se ha tenido acceso al mismo, fecha en que se cambiaron los parámetros, los nuevos valores ingresados y la identificación de quién efectuó la intervención.
El dispositivo de ajuste de parámetros deberá permitir recuperar el registro de la última intervención efectuada en el medidor dentro de los dos (2) años anteriores, sin perjuicio de que pueda registrar intervenciones anteriores, a menos que para guardar la última deba borrar de su memoria las anteriores.
7.6. Requisitos específicos. Cuando sea instalado el medidor, la relación entre Qmin y Qmax para el medidor de combustible podrá ser inferior a 10:1 y no menor de 5:1.
Cuando el medidor incluye su propia bomba, inmediatamente se debe instalar un dispositivo de eliminación de gases corriente arriba de la entrada del medidor.
Si el medidor cuenta con un sistema de bombeo remoto, el fabricante/importador debe garantizar que no exista riesgo de ingreso de aire o de liberación de gases. En tal caso, se deberá proveer de detector de nivel de aire o liberación de gases en el tanque de almacenamiento que permita evitar automáticamente la dispensación de combustibles cuando se llegue al nivel mínimo del tanque de almacenamiento. En todo caso, cuando se coloca un indicador de gases, este no debe tener ningún dispositivo de ventilación.
El medidor de combustibles debe estar equipado con un dispositivo para reiniciar desde cero el dispositivo que indica la cantidad (volumen). Si estos sistemas incluyen también un dispositivo de indicación de precio o importe a pagar por parte del consumidor, dicho dispositivo debe contar con un mecanismo para reiniciarse desde cero.
El medidor debe ser construido de tal forma que únicamente se puede utilizar una pistola del medidor durante la dispensación de combustible, y después de haber reemplazado la pistola, solo se podrá efectuar el siguiente abastecimiento hasta que el dispositivo indicador se haya reiniciado a cero. Cuando se puedan usar dos o más pistolas simultáneamente o alternadamente, y después de que las pistolas utilizadas han sido reemplazadas, el siguiente abastecimiento debe quedar impedido hasta que el dispositivo indicador se haya reiniciado al cero. Sin embargo, cuando se utiliza una bomba manual auxiliar este requisito no aplica.
Si el medidor de combustible posee un caudal máximo Qmax no mayor a 3,6 m3/h, su cantidad de medida mínima (CMM) no podrá superar 5 L (1,3 gal).
Si el medidor de combustibles posee un dispositivo de impresión de los resultados de medida y precio a pagar, debe ser construido de tal forma que evite automáticamente continuar dispensando combustible hasta que se haya hecho el reinicio de este dispositivo a cero. Sin embargo, la operación de impresión no debe cambiar la cantidad indicada en el dispositivo indicador.
El medidor de combustible deberá ser construido de tal forma que la dispensación de combustible sea interrumpible.
Los medidores de combustibles que incorporen elementos electrónicos, deben ser construidos para que la duración mínima de operación del dispositivo indicador del resultado de medición, funcione por lo menos cinco (5) minutos continuos y de forma automática después de que ocurra una falla en el suministro principal de la corriente eléctrica.
Para efectos de ensayar el cumplimiento del requisito anterior, se deberá suministrar energía eléctrica de manera constante al menos durante doce (12) horas antes de cortar el suministro de energía.
El medidor de combustible que incorpore elementos electrónicos deben ser diseñados y construido de modo tal que no se pueda continuar con un abastecimiento o dispensación de combustible que ha sido interrumpido, sino después de que se haya reestablecido el suministro de la corriente eléctrica si la falla del suministro duró más de 15 segundos.
Si varios medidores de combustible tienen un dispositivo indicador común, no debe ser posible usar más de un (1) medidor simultáneamente.
El medidor de combustible deberá incorporar un dispositivo de chequeo que para cada dispensación de combustible verifique si las instrucciones memorizadas por el instrumento y los datos son correctos, como también que el proceso de transferencia y almacenamiento de los datos de medición relevantes es efectuado correctamente.
Si el medidor de combustible posee filtros, estos no deberán afectar la precisión de la medición ni la operación del medidor.
Si el medidor utiliza medios para la recuperación de vapores, estos no deberán influir en la precisión de las mediciones superando los EMP.
El medidor de combustible que incorpore un dispositivo indicador electrónico, deberá poseer un mecanismo de expiración que termine la transacción, es decir, que ordene reiniciar el medidor desde cero antes de iniciar el abastecimiento, siempre que haya trascurrido un periodo de inactividad de más de ciento veinte (120) segundos durante la transacción.
7.7. Demostración de la conformidad. La conformidad de los medidores de combustibles de producción nacional y extranjera con los requisitos definidos en el presente reglamento técnico, se demostrará mediante un (i) certificado de examen de modelo del instrumento emitido en cumplimiento de los requisitos establecidos en el numeral 7.7.1.3, y (ii) una declaración de conformidad del productor o importador del medidor de combustible individualmente considerado, emitida en cumplimiento de los requisitos previstos en el numeral 7.7.1.4 de esta resolución.
7.7.1. Disposiciones comunes
7.7.1.1. Normas equivalentes. Se consideran equivalentes al presente reglamento técnico las siguientes normas internacionales:
– Recomendación de la Organización Internacional de la Metrología Legal (OIML) R-117-1 Edición 2007 “dynamic measuring systems for liquids other tan water, Part 1 Metrological and technical requirements”.
– Anexo MI-005 de la Directiva 2004/22/EC del Parlamento Europeo y del Consejo del 31 de marzo de 2004 relativa a los “Sistemas para la medición continua y dinámica de cantidades de líquidos distintos del agua”.
– La Sección 3.30 del Manual No 44 sobre “Liquid-Measuring Devices” adoptado por la 99 Conferencia Nacional de Pesas y Medidas de 2014, publicado por el Instituto Nacional de Estándares y Tecnología de los Estados Unidos de América (NIST por sus siglas en inglés) del año 2015.
7.7.1.2. Disposición transitoria. Hasta tanto exista al menos un (1) organismo de certificación acreditado ante el Organismo Nacional de Acreditación de Colombia (ONAC) cuyo alcance de certificación corresponda al presente reglamento técnico metrológico, se aceptará, como medio para demostrar la conformidad del surtidor, dispensador y/o medidor de combustibles con los requisitos establecidos en esta norma, la declaración de conformidad del productor y/o importador expedida de conformidad con los requisitos establecidos en la Norma Internacional ISO/IEC 17050:2004, utilizando el modelo de declaración de conformidad incluido en el Anexo No 2 de este reglamento técnico, soportada sobre la base de (i) haberse observado las reglas y efectuado los ensayos señalados en los numerales 3 y 4 del Anexo Técnico de esta resolución, por parte de un laboratorio de pruebas y ensayos acreditado en la magnitud caudal ante el Organismo Nacional de Acreditación de Colombia (ONAC) bajo la Norma ISO/IEC 17025:2005 cuyo alcance de acreditación corresponda a medidores de flujo con características metrológicas similares a la de los surtidores y/o dispensadores de combustibles líquidos, o por parte de un laboratorio extranjero que practique las pruebas y ensayos previstos en las normas equivalentes a este reglamento técnico definidas en el numeral 7.7.1.1, siempre que ostenten acreditación vigente bajo la Norma ISO/IEC 17025:2005 emitida por un miembro signatario del acuerdo de reconocimiento mutuo del International Laboratory Acreditation Cooperation (ILAC).
PARÁGRAFO. El productor/importador que haya demostrado la conformidad de sus surtidores, dispensadores y/o medidores de combustibles líquidos bajo lo dispuesto en este numeral, no tendrán que demostrar nuevamente la conformidad de sus instrumentos así ya se haya acreditado el primer organismo de certificación ante el ONAC.
El certificado de conformidad previsto en este reglamento técnico como medio para la evaluación de la conformidad según lo señalado en el numeral 7.7, solo será exigible tres (3) meses después de acreditado el primer organismo evaluador de la conformidad.
7.7.1.3. Requisitos para la expedición del certificado de examen de modelo. El certificado de examen de modelo deberá ser emitido bajo el esquema de certificación 1A definido en la Norma ISO/IEC 17067:2013, con alcance al presente reglamento técnico o sus normas equivalentes, (i) por parte de un organismo de certificación de producto acreditado ante el Organismo Nacional de Acreditación de Colombia (ONAC) bajo la norma ISO/IEC 17065:2012 con alcance al presente reglamento técnico metrológico, o (ii) por parte de un organismo evaluador de la conformidad reconocido en el marco de los acuerdos de reconocimiento multilateral de los que haga parte el ONAC, siempre y cuando el país emisor acepte los certificados colombianos para productos nacionales, o por parte de un organismo notificado.
Adicionalmente se permite demostrar la conformidad del modelo del instrumento, mediante la aprobación de modelo que emita un Instituto Nacional de Metrología (INM) cuyas capacidades de calibración y medición (CMC[5]), hayan sido publicadas ante la Oficina Internacional de Pesas y Medidas[6].
El certificado de examen de modelo estará vigente mientras el productor no modifique ninguna de las características y/o propiedades del instrumento que fueron evaluadas. En caso de que se efectúe cualquier modificación, se deberá volver a certificar el modelo del medidor de combustible.
7.7.1.3.1. Ensayos y exámenes para la expedición del certificado de examen de modelo. Para efectos de expedir el certificado de conformidad de modelo, se deberán efectuar los ensayos establecidos en los numerales 3 y 4 del Anexo Técnico de la presente resolución bajo las condiciones allí establecidas en laboratorios acreditados ante el Organismo Nacional de Acreditación de Colombia (ONAC) bajo la Norma ISO/IEC 17025:2005 cuyo alcance de acreditación corresponda al ensayo respectivo; o, practicar las pruebas y ensayos previstos en las normas equivalentes al presente reglamento técnico metrológico en laboratorios extranjeros siempre que ostenten acreditación vigente bajo la Norma ISO/IEC 17025:2005 emitida por un miembro signatario del acuerdo de reconocimiento mutuo del International Laboratory Acreditation Cooperation (ILAC).
7.7.1.4. Requisitos para la expedición de la declaración de conformidad de los medidores de combustibles individualmente considerados. Con la declaración de conformidad del medidor de combustibles líquidos, el productor o importador garantiza la conformidad del instrumento individualmente considerado con el modelo certificado. Esta declaración debe ser expedida de conformidad con los requisitos establecidos en la Norma Internacional ISO/IEC 17050:2004, utilizando el modelo de declaración de conformidad incluido en el Anexo No 2 de esta resolución, y debe ir acompañada del informe de resultados de los ensayos que se señalan en el numeral 7.7.1.4.1.
La declaración de conformidad debe identificar individualmente cada instrumento con número serial.
7.7.1.4.1. Ensayos y exámenes para la expedición de la declaración de conformidad del medidor de combustible. Para efectos de expedir la declaración de conformidad del medidor de combustible, se deberán efectuar, en al menos el diez por ciento (10%) de los medidores que ingresan al mercado nacional con el mismo certificado de tipo o aprobación de modelo, los ensayos establecidos en los numerales 3.2 y 3.3 del Anexo Técnico de la presente resolución bajo las condiciones allí establecidas, (i) en laboratorios acreditados en la magnitud caudal ante el Organismo Nacional de Acreditación de Colombia (ONAC) bajo la Norma ISO/IEC 17025:2005 cuyo alcance de acreditación corresponda a medidores de flujo con características metrológicas similares a las de los surtidores y/o dispensadores de combustibles líquidos o (ii) en laboratorios extranjeros siempre que ostenten acreditación vigente bajo la Norma ISO/IEC 17025:2005 emitida por un miembro signatario del acuerdo de reconocimiento mutuo del International Laboratory Acreditation Cooperation (ILAC).
7.7.1.5. Documentación técnica del medidor de combustibles. Para efectos de evaluar la conformidad del medidor de combustibles, el organismo evaluador de la conformidad que sea escogido por el productor y/o importador para llevar a cabo el análisis y examen a que haya lugar, deberá estudiar la documentación técnica que prepare el productor y/o importador del instrumento, la cual deberá permitir que se comprenda e interprete el diseño, producción y funcionamiento del medidor de combustibles y la evaluación de su conformidad con los requisitos establecidos en el presente reglamento. Igualmente deberá ser lo suficientemente detallada respecto de la definición de las características metrológicas del medidor.
La documentación técnica deberá comprender, como mínimo, los siguientes elementos necesarios para la evaluación del modelo o su identificación:
a) Una descripción general del modelo;
b) Los esquemas de diseño y fabricación del medidor, y los planos de componentes, dispositivos, circuitos, etc.;
c) Descripción y explicación necesaria para la comprensión de lo anterior, en particular, del funcionamiento del medidor;
d) Descripción del procedimiento de fabricación del medidor mediante el cual se garantiza la uniformidad de la producción;
e) Cuando sea aplicable, una descripción de los dispositivos electrónicos del medidor junto con sus planos, diagramas, diagramas de flujo de la lógica e información del software en general que expliquen sus características y funcionamiento;
f) Una lista de las reglamentaciones equivalentes al presente reglamento técnico, aplicadas total o parcialmente en la producción del medidor, y una descripción de las soluciones adoptadas para cumplir los requisitos esenciales cuando no se hayan aplicado las normas equivalentes señaladas en el numeral 7.7.1.1 de este reglamento;
g) Los resultados de los cálculos de diseño, de las pruebas que demuestren el cumplimiento de los requisitos, etc.;
h) Manual de Instalación y de Uso del Medidor de Combustibles;
i) Los certificados de examen y resultados de los ensayos correspondientes sobre instrumentos que contengan elementos idénticos a los del proyecto, y
j) Esquema de precintos del medidor de combustibles donde se especifique el lugar de instalación de los mismos, sus características, codificación y ubicación para que dichos elementos sean objeto de evaluación por parte del organismo de certificación que lleve a cabo el procedimiento de evaluación de la conformidad según corresponda.
El productor/importador del medidor de combustible, debe entregar al organismo evaluador de la conformidad las muestras representativas del tipo o modelo definitivo que sean necesarias.
7.8. Obligaciones del productor e importador. Son obligaciones del productor y/o importador, en relación con el cumplimiento del presente reglamento técnico las siguientes:
7.8.1. Introducir al mercado nacional únicamente medidores de combustibles que se encuentren conformes con los requisitos establecidos en el presente reglamento técnico;
7.8.2. Fijar un código de barras a cada medidor de combustibles el cual deberá cumplir con el estándar de captura de información establecido en la Norma Internacional ISO/IEC 15417:2007. Los datos que debe contener el código de barras son los siguientes:
a) identificación única, global e inequívoca del medidor de combustibles que varíe dependiendo de las condiciones nominales de funcionamiento, de trece (13) números;
b) Número serial alfanumérico de veinte (20) dígitos.
7.8.3. Elaborar y preparar la documentación técnica señalada en el numeral 7.7.1.5 de este reglamento, para efectos de evaluar la conformidad de medidores de combustibles.
7.8.4. Elaborar la declaración de conformidad a que se refiere los numerales 7.7 y 7.7.1.4 del presente reglamento técnico según corresponda, bajo los parámetros establecidos en la Norma ISO/IEC 17050:2004.
7.8.5. Conservar copia de la documentación técnica señalada en el numeral 7.7.1.5. del presente reglamento técnico, por el término que se establece para la conservación de los papeles de comercio previsto en el artículo 60 del Código de Comercio, contado a partir de la fecha de introducción al mercado del medidor de combustibles.
7.8.6. Identificar los medidores de combustibles que son introducidos al mercado nacional, en su cubierta exterior, con su nombre comercial o marca, dirección física y electrónica y teléfono de contacto.
7.8.7. Entregar al titular del medidor de combustibles las instrucciones de operación y manual de uso en castellano, como también copia de los certificados y declaraciones de conformidad obtenidos para efectos de demostrar la conformidad de sus instrumentos.
7.8.8. Tomar las medidas correctivas necesarias para recoger o retirar del mercado aquellos medidores de combustibles respecto de los cuales se tenga motivos para pensar que no están conformes con los requisitos establecidos en el presente reglamento técnico metrológico.
7.8.9. Permitir a la Superintendencia de Industria y Comercio y/o al Organismo Autorizado de Verificación Metrológica (OAVM) que sea designado por este, el acceso a toda clase de información y documentación que sea necesaria para efectos de demostrar la conformidad de los medidores de combustibles que introdujo al mercado, y
7.8.10. Incorporar al Sistema de Información de Metrología Legal (SIMEL) de la Superintendencia de Industria y Comercio, al momento de introducir los medidores de combustibles al mercado nacional, la siguiente información:
a) La documentación obtenida por el productor o importador para efectos de demostrar la conformidad de los medidores de combustibles, según el esquema de evaluación de la conformidad establecido en el presente reglamento técnico al cual se haya acogido, y
b) La documentación técnica de que trata el numeral 7.7.1.5. de este reglamento técnico.
7.9. Prohibición de comercialización y uso del medidor de combustibles. Los medidores de combustibles sujetos a control metrológico que no superen la evaluación de la conformidad en los términos establecidos en esta reglamentación técnica, no podrán ser comercializados ni utilizados dentro del territorio nacional en estaciones de servicio vehicular y fluvial públicas de acuerdo con las definiciones previstas en los artículos 2.2.1.1.2.2.1.4 y 2.2.1.1.2.2.1.5 del Decreto número 1073 de 2015. Tampoco podrán ser comercializados, importados ni utilizados dentro del territorio nacional, aquellos medidores cuya información descrita en el numeral 7.8.10 no haya sido incorporada a SIMEL de manera completa.
7.9.1. Autoridad de inspección, vigilancia y control. En concordancia con lo establecido en los numerales 3.4.1 y 3.4.2 de la Resolución SIC 64190 de 2015, la Superintendencia de Industria y Comercio y la Dirección de Impuestos y Aduanas Nacionales (DIAN), ejercerán como autoridad administrativa encargadas de vigilar el cumplimiento del presente reglamento técnico metrológico en la fase de evaluación de la conformidad; y, serán autoridades administrativas encargadas de vigilar el cumplimiento de ese reglamento en la fase de instrumentos de medición en servicio, esta Entidad y las Alcaldías Municipales quienes podrán, según lo previsto en los numerales 8 y 9 del artículo 59 de la Ley 1480 de 2011, ordenar (i) que se detenga la comercialización o puesta en servicio de un medidor de combustibles que no cumplan con los requisitos definidos en esta norma, (ii) la no utilización temporal o definitiva de la(s) manguera(s) del instrumento que no apruebe(n) la verificación metrológica descrita en el numeral 7.10 de este reglamento, (iii) adoptar las medidas procedentes para asegurar que se ajuste metrológicamente el medidor en servicio dentro de los errores máximos permitidos y (iv) imponer las sanciones contempladas en el artículo 61 de la Ley 1480 de 2011 a que haya lugar previa investigación y desarrollo del procedimiento administrativo correspondiente.
7.9.2. Designación para el ejercicio de funciones de verificación metrológica de los medidores de combustibles líquidos en servicio. Para efectos de llevar a cabo la verificación metrológica de los medidores de combustibles sujetos a control metrológico según las disposiciones contenidas en este Reglamento, la Superintendencia de Industria y Comercio designará, de acuerdo al procedimiento de selección objetiva que se adopte para tal fin, los Organismos Autorizados de Verificación Metrológica (OAVM) encargados de verificar los medidores en la fase de comercialización y puesta en servicio y de después de reparación o modificación, cuyas obligaciones, regiones autorizadas para el ejercicio de sus funciones e instrumentos de medición autorizados para verificar, serán señalados en el acto administrativo de autorización que expida esa Superintendencia.
PARÁGRAFO. La designación administrativa de que trata el presente numeral, se entiende sin perjuicio de las facultades inspección, vigilancia y control que ejercen la Superintendencia de Industria y Comercio y las Alcaldías Municipales en materia de control metrológico, entidades que podrá reasumir sus funciones en cualquier momento y lugar.
7.10. Verificación metrológica
7.10.1. Procedimiento de verificación metrológica periódica y de después de reparación o modificación. Todo titular de un medidor de combustible sujeto a control metrológico que se encuentre en servicio a la fecha de publicación del presente reglamento técnico en el Diario Oficial, deberá permitir y sufragar el costo de la verificación metrológica de su(s) surtidor(es), dispensador(es) y/o medidor(es) por parte del Organismo Autorizado de Verificación Metrológica (OAVM) designado para operar en la zona geográfica donde se encuentra el instrumento, cada año a partir de la fecha de la regularización del instrumento respectivo.
La primera verificación metrológica del medidor de combustible puesto en servicio con posterioridad a la fecha de entrada en vigencia de este reglamento técnico, se deberá realizar máximo al año siguiente de la fecha de instalación.
El procedimiento de verificación consta de la realización de un examen administrativo y de un examen técnico de carácter metrológico mediante la ejecución de los ensayos que se señalan más adelante.
El medidor que no supere la verificación metrológica periódica, no podrá ser utilizado para expender ni dispensar combustibles líquidos dentro del territorio nacional.
El plazo de validez de la verificación metrológica es de un (1) año al cabo del cual se deberá realizar una nueva verificación metrológica por parte del OAVM. Sin embargo, ese plazo se podrá extender al último día del mes en que se practicó la última verificación metrológica. En todo caso, el OAVM podrá efectuar la verificación metrológica periódica hasta un (1) mes antes de la fecha del vencimiento de la validez.
Lo anterior se entiende, sin perjuicio de la obligación del titular del medidor de combustibles de mantenerlo ajustado en todo momento de conformidad con lo señalado en el parágrafo 2o del artículo 2.2.1.7.14.4 del Decreto número 1074 de 2015.
Siempre que se efectúe una reparación o modificación en un medidor de combustible, el reparador que la realizó deberá registrar dicho procedimiento en SIMEL desde donde se generará una alerta al OAVM, para que con posterioridad compruebe su correcto funcionamiento y que los resultados de las mediciones se encuentren dentro de los Errores Máximos Permitidos (EMP) señalados en el presente reglamento técnico, y retirará la etiqueta de no superación de la verificación metrológica periódica cuando haya lugar a ello.
Una vez informado, el OAVM dispondrá de un plazo de quince (15) días hábiles para proceder a ejecutar la verificación metrológica correspondiente. El plazo de validez de la verificación metrológica bajo este supuesto, comenzará a contarse a partir del momento en que se compruebe por parte del OAVM, la reparación o modificación del medidor de manera satisfactoria.
En caso de que el medidor de combustible haya sido verificado después de reparación dentro de los seis (6) meses siguientes a la verificación ordinaria, la siguiente verificación metrológica al medidor reparado se realizará al mismo tiempo de los demás medidores de combustibles de la estación de servicio, en el plazo para la realización de verificación ordinaria. En caso de que la reparación se haya realizado entre los meses siete (7) a doce (12) de la última verificación ordinaria, el medidor verificado después de reparación volverá a ser verificado por el OAVM transcurrido un año más el periodo restante, para que coincida con la siguiente fecha de verificación ordinaria.
7.10.2. Alcance del procedimiento de verificación. Este procedimiento es aplicable a todo tipo de medidores de combustibles líquidos en servicio, sujetos a control metrológico en los términos establecidos en esta resolución.
7.10.3. Examen Administrativo. Consiste en la identificación del medidor de combustible y la comprobación de que reúne los requisitos para estar válidamente en servicio, tomando como base la información aportada por el OAVM en la Tarjeta de Control Metrológico (TCM) de SIMEL. Igualmente, mediante este examen se comprobará que el medidor superó satisfactoriamente la evaluación de la conformidad o que fue sometido a regularización con los marcados correspondientes.
A excepción de los medidores de combustibles líquidos que se encuentren en operación a la fecha de entrada en vigencia de la presente reglamentación, si el OAVM encuentra que un medidor de combustibles líquidos sujeto a control metrológico ingresó al mercado nacional sin demostrar satisfactoriamente su conformidad con el presente reglamento técnico, informará a la Superintendencia de Industria y Comercio quien podrá inhabilitarlo para el servicio de manera preventiva e iniciar la investigación administrativa a que haya lugar.
Aquellos medidores de combustibles líquidos que se encuentren en operación a la fecha de entrada en vigencia de este reglamento técnico, serán sometidos a regularización por parte del OAVM en la zona geográfica donde opera el instrumento, quien verificará que el medidor provee mediciones dentro de los errores máximos permitidos en este reglamento técnico.
Asimismo se debe comprobar, por cada medidor, los datos de identificación del mismo en la tarjeta de control metrológico en SIMEL, y en caso de estar incompletos o incorrectos deberán ser actualizados por parte del OAVM.
7.10.3.1. Comprobación de la placa de características y de los datos contenidos en la tarjeta de control metrológico del surtidor, dispensador o medidor de combustible.
El OAVM deberá comprobar y/o complementar, si faltaran, los datos contenidos en la TCM del instrumento de medición en SIMEL. Tales datos son:
a) Titular del medidor de combustibles;
b) Marca;
c) Modelo;
d) Número de serie del medidor de combustibles, y
e) Condiciones nominales de funcionamiento del medidor de combustibles.
La placa de características que debe poseer el instrumento debe cumplir los requisitos e inscripciones exigibles que le sean aplicables conforme a su tarjeta de control metrológico. En cualquier caso, si faltara la placa de características se le debe colocar el OAVM.
También se debe comprobar si las marcas e inscripciones corresponden con las que figuran en la documentación que demuestra la conformidad del medidor frente a esa norma así como la existencia de marcas de conformidad y marcas de regularización.
El OAVM también deberá fijar un código de barras a cada medidor de combustibles examinado, el cual deberá cumplir con el estándar de captura de información establecido en la Norma Internacional ISO /IEC 15417:2007. La información contenida en el código de barras deberá corresponder a los datos incorporados en la TCM.
7.10.3.2. Comprobación de la marca de regularización. De acuerdo con lo señalado en el numeral 3.4.2.1.1. de la Resolución número 64190 de 2015, la regularización es el procedimiento que lleva a cabo el Organismo Autorizado de Verificación Metrológica (OAVM), con el objeto de establecer si un surtidor, dispensador y/o medidor de combustible que se encuentra en uso a la entrada en vigencia de la presente reglamentación, se ajusta a los requisitos dispuestos en este reglamento técnico pese a que no se evaluó la conformidad de dicho instrumento de medición de manera previa a su entrada al mercado o puesta en servicio.
Para efectos de regularizar un medidor de combustibles el OAVM deberá realizar el examen técnico previsto en el numeral 7.10.4 y 7.10.5 de este reglamento técnico, y en caso de superar satisfactoriamente las pruebas allí descritas, este deberá: (i) incorporar en SIMEL la información que se señala en el numeral 7.10.3.1 del presente reglamento técnico, (ii) precintar el instrumento en todas aquellas partes, electrónicas o no, que puedan afectar la determinación de los resultados de medición de combustible que se dispensa, y (iii) adherir una etiqueta al instrumento con las siguientes características:
Superintendencia de Industria y Comercio
Regularización No. _______
Fecha: AA/MM/DD
Razón Social del OAVM:________
Medidor de combustible regularizado
La etiqueta debe estar confeccionada con un material resistente a los agentes externos, tanto atmosféricos, como abrasivos y a los impactos. Será de tipo adhesivo y autodestructiva al desprendimiento. Tendrá forma rectangular y fondo blanco, y sus dimensiones son sesenta (60) x setenta (70) milímetros, debiéndose mantener dichas proporciones para otros tamaños.
La realización de este procedimiento implica el pago de la tarifa asociada al servicio de verificación metrológica que presta el OAVM, y deberá ser asumida por el titular del medidor de combustibles, de conformidad con lo establecido en el numeral 5.9 de la Resolución número 64189 de 2015.
PARÁGRAFO. El medidor de combustible que se encuentre en uso a la fecha de entrada en vigencia de la presente reglamentación, que no logre ser regularizado por no estar conforme con los requisitos establecidos en este reglamento técnico y que no sea reparable, no podrá ser utilizado en ninguna de las actividades sujetas a control metrológico y deberá ser dado de baja en SIMEL.
7.10.3.3. Verificación de precintos. El OAVM deberá verificar la correspondencia en número, codificación y posición de los precintos del medidor de combustibles con los que fueron registrados en la documentación obtenida por el productor y/o importador para efectos de demostrar la conformidad del mismo o la consignada en el esquema de precintos. Del mismo modo si el medidor de combustibles ha sido objeto de reparación o modificación por parte de un reparador en los términos señalados en el presente reglamento técnico, el OAVM deberá verificar en número y posición los precintos que fueron colocados por este último, de acuerdo con la información del procedimiento de reparación o modificación consignada en SIMEL. El OAVM deberá precintar el medidor de combustible en su primera verificación metrológica.
La ruptura de los precintos implica la no superación de la verificación metrológica, sin perjuicio de las facultades en cabeza de esta Superintendencia y de las Alcaldías Municipales para adelantar la investigación administrativa que consideren pertinente.
Igualmente, el OAVM debe verificar (i) la integridad de los precintos tirando ligeramente de los alambres y de los propios precintos, como también (ii) comprobar que son funcionales.
7.10.3.4. Comprobación de precintos. El OAVM debe comprobar que los precintos que son exigidos en la presente reglamentación, garanticen la integridad del instrumento frente a manipulaciones y que coincidan con los especificados en el examen de modelo o en el documento de regularización así como el número del precinto. En el caso de existir precintos electrónicos se tomará nota del número correlativo de control.
7.10.4. Examen técnico. Consiste en la obtención de los errores en el volumen, indicados por el medidor de combustible.
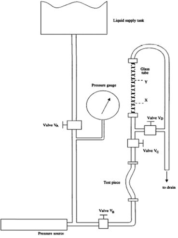
7.10.4.1. Equipos a utilizar para la realización de los ensayos. Para la realización de las pruebas y ensayos que componen el procedimiento de verificación metrológica, el OAVM deberá disponer de los siguientes instrumentos:
a) Recipientes volumétricos de vidrio, metálicos o hechos de fibra de carbono, graduados con trazo múltiple y debidamente calibrados por laboratorios de calibración acreditados ante el Organismo Nacional de Acreditación de Colombia (ONAC) o por el Instituto Nacional de Metrología (INM), cada dos (2) años con trazabilidad a patrones nacionales, con capacidades nominales de 5 galones y 0,5 galones o 20 L y 2 L para el SI. La incertidumbre de dicha calibración no podrá exceder 1/3 del error máximo permitido aplicable. Se deberán aplicar correcciones si el error de calibración más la incertidumbre de calibración es mayor 1x10-3 en prehumedecido en valor relativo. En caso de aplicar correcciones, la incertidumbre de medida debe ser menor a dicho valor. El recipiente volumétrico tiene que estar graduado en porcentajes de 0,05% en su capacidad nominal y en ±1,5% del nominal. Se deberá disponer de los siguientes recipientes volumétricos a utilizar en prehumedecido:
i) Recipiente volumétrico 5 gal o 20 L;
ii) Recipiente volumétrico 0,5 gal o 2 L;
b) Termómetros debidamente calibrados con trazabilidad a patrones nacionales, por laboratorios de calibración acreditados ante el Organismo Nacional de Acreditación de Colombia (ONAC) o por el Instituto Nacional de Metrología (INM), cada dos (2) años, que se utilizarán para medir la temperatura del líquido de ensayo y la temperatura ambiente en el momento del ensayo, con sondas de inmersión. El termómetro debe tener una exactitud de un mínimo de 0,5oC.
7.10.4.2. Condiciones previas para la realización de los ensayos. Los ensayos se deberán realizar en condiciones estables, a la temperatura normal de funcionamiento del medidor en su lugar de instalación.
Se consideran condiciones estables cuando la variación máxima de la temperatura ambiental durante el ensayo es inferior a 10oC y la diferencia entre la temperatura del líquido en el recipiente volumétrico y la temperatura a la que se ha calibrado dicho recipiente volumétrico es inferior, en valor absoluto, a 10oC.
Las pruebas se deben realizar siempre buscando el salto del escalón del medidor.
No se deberá realizar rodajes previos de cada manguera.
Los ensayos se deben comenzar por el caudal máximo y terminar con el suministro mínimo al caudal mínimo.
De no cumplirse las condiciones de estabilidad no se llevará a cabo la verificación.
Aclaraciones para la utilización del recipiente volumétrico patrón. Se considerará escurrido el recipiente volumétrico transcurridos 30 segundos a partir de la interrupción del caudal continuo.
Asegurar una nivelación adecuada.
7.10.5. Ensayos
7.10.5.1. Ensayo de exactitud a caudal máximo Qmax. Este ensayo tiene por objeto determinar el error del medidor al caudal principal de utilización.
El ensayo se deberá efectuar al caudal máximo Qmax que es capaz de suministrar el medidor y se deberá utilizar como medio de comparación, un recipiente volumétrico con capacidad nominal igual a 5 gal o 20 L.
El ensayo se ejecutará en condiciones normales de uso y de acuerdo con las siguientes fases:
– Se pone a cero el indicador.
– Se escurre la pistola.
– Se vierte combustible en el recipiente volumétrico al caudal máximo permitido por la pistola, al volumen correspondiente a la capacidad nominal de la vasija utilizada, y
– Se calcula el error.

es: Error medidor %
Vind: Volumen indicado por el medidor.
Vp: Volumen medido por el recipiente volumétrico.
K: Factor de corrección del recipiente volumétrico.

ep: Error del recipiente volumétrico patrón en tanto por uno.
Vindicado: Volumen indicado por el recipiente volumétrico.
vcalibración: Volumen real indicado en el certificado de calibración.
El error máximo permitido para este ensayo es: ± 0,5 %.
En la práctica, si las indicaciones del medidor son exactas en 5 gal o 20 L y como el recipiente volumétrico está graduado en porcentaje de error del medidor, el error es el siguiente:
![]()
es: Error medidor %
Lm: Lectura obtenida en recipiente %
Ep: Error del recipiente %(ep x 100)
7.10.5.2. Ensayo de exactitud a caudal mínimo Qmin. Este ensayo tiene por objeto determinar el error del medidor al caudal mínimo de utilización.
El ensayo se deberá efectuar al caudal mínimo Qmin que es capaz de suministrar el medidor y se deberá utilizar como medio de comparación, un recipiente volumétrico con capacidad nominal igual a 0,5 gal o 2 L.

es: Error medidor %
Vind: Volumen indicado por el medidor.
Vp: Volumen medido por el recipiente volumétrico.
K: Factor de corrección del recipiente volumétrico.

ep: Error del recipiente volumétrico patrón en tanto por uno.
Vindicado: Volumen indicado por el recipiente volumétrico.
vcalibración: Volumen real indicado en el certificado de calibración.
El error máximo permitido para este ensayo es: ± 1%.
En la práctica, si las indicaciones del medidor son exactas en 0,5 gal o 2 L y como el recipiente volumétrico está graduado en porcentaje de error del medidor, el error es el siguiente:
es = -Lm + Ep
es: Error medidor %
Lm: Lectura obtenida en recipiente %
Ep: Error del recipiente % (epx 100)
7.10.5.3. Ensayos de funcionamiento general
7.10.5.3.1. Control de precio unitario. En cualquiera de los ensayos anteriormente descritos, se tomará nota del precio indicado por el medidor o dispensador y se multiplicará el volumen indicado por el precio unitario. Luego se resta el resultado anterior del precio indicado.
El error máximo permitido en valor absoluto debe ser igual al precio del 1% del suministro mínimo en 2 L o 0,5 gal. Ensayo a efectuar, al menos durante el ensayo de una manguera (preferentemente durante el ensayo al máximo caudal).
7.10.5.3.2. Control del dispositivo de puesta a cero. Para la realización de este ensayo, se descuelga la pistola y se verifica que los indicadores de volumen y precio se sitúen correctamente en cero.
Durante el suministro de combustibles no será posible activar el dispositivo de puesta cero, y en tal caso el suministro se deberá iniciar previa puesta a cero de medidor de combustible.
Error máximo permitido EMP del dispositivo de puesta a cero. Si el medidor de combustible cuenta con indicador discontinuo, el error máximo permitido es igual a 0%.
Si el medidor de combustible cuenta con indicador continuo, el error máximo permitido es 0,5% del suministro mínimo en 2 L o 0,5 gal.
7.11. Colocación de precintos. Todo surtidor, dispensador y/o medidor de combustibles deberá estar precintado en los puntos que se hayan definido en la fase de la evaluación de la conformidad, y en caso de efectuado un procedimiento de regularización por parte del OAVM, en los puntos que hayan sido definidos por este último, los cuales como mínimo deberán ser los que se indican más adelante. En caso de reparación, el reparador colocará sus precintos y encima de estos el OAVM colocará los que corresponda para evitar que se modifiquen las características metrológicas del sistema de medición.
En caso de regularización, el OAVM precintará al menos los elementos que se indican a continuación:
1. Medidor: tornillo de regulación y tapas.
2. Emisor de impulsos y totalizador mecánico/electromecánico.
3. Memoria Eprom o memoria flash.
4. Pantalla de datos medidos.
5. Interfaces (conexiones emisor, de baja, etc.).
6. Computador.
7. Emisor de impulsos al chasis.
8. Caja de conexiones, y
9. Separador de gases.
Además de los elementos mencionados atrás, el OAVM podrá precintar otros elementos del medidor de combustible cuando lo considere necesario para garantizar los resultados de medida, siempre y cuando presente una justificación técnica al respecto.
El informe de la verificación metrológica que haga el OAVM deberá identificar el número / código y ubicación de los precintos colocados al medidor de combustibles. Únicamente se podrá modificar el registro de número y ubicación de los precintos como resultado de un procedimiento de verificación metrológica después de reparación o modificación.
7.12. Acta de visita e informe de verificación metrológica. Todo procedimiento de verificación metrológica que se adelante en cumplimiento del presente reglamento técnico, deberá quedar adecuadamente documentado en SIMEL por parte del OAVM. Para ello, la toma de datos relativos al medidor y su titular deberán ser recogidos a través de los dispositivos portátiles que se exijan en el proceso de selección y designación correspondiente, con los cuales se conectará directamente al SIMEL de la Superintendencia de Industria y Comercio.
Adicionalmente, el OAVM deberá incorporar en SIMEL todas las pruebas documentales que resulten de la visita de verificación efectuada, tales como: copia del acta de visita de verificación firmada y fotografías de: los establecimientos de comercio visitados, los instrumentos de medición verificados y de sus placas de características, donde conste el número serial de cada uno, los precintos instalados, cada uno de los ensayos efectuados y sus resultados, la medición de temperatura en cada caso, y todas las demás que resulten ser conducentes y/o pertinentes.
7.13. Superación de la verificación metrológica. Cuando se hayan superado todas las fases de la verificación metrológica a que haya lugar, se adherirá en lugar visible del surtidor o dispensador de combustible y la manguera verificada, o en algún elemento de la instalación que lo soporta, la “Etiqueta de verificación” cuyas características, formato y contenido serán los siguientes:
SUPERINTENDENCIA DE INDUSTRIA Y COMERCIO1
CONTROL METROLÓGICO
Resolución ____ del __ de________ de 2016
NII2:
| Nombre del OAVM3: | Resultado de la Verificación5: CONFORME | ||||||||||||
| Código del OAVM4: | |||||||||||||
| Fecha de Verificación6: | Fecha próxima verificación8 | ||||||||||||
| Firma del Verificador7: | DÍA | 1 | 2 | 3 | 4 | 5 | 6 | 7 | 8 | 9 | 10 | 11 | 12 |
| 13 | 14 | 15 | 16 | 17 | 18 | 19 | 20 | 21 | 22 | 23 | 24 | 25 | |
| 26 | 27 | 28 | 29 | 30 | 31 | ||||||||
| MES | 1 | 2 | 3 | 4 | 5 | 6 | 7 | 8 | 9 | 10 | 11 | 12 | |
| AÑO | 2017 | 2018 | 2019 | 2020 | 2021 | 2022 | 2023 | 2024 | 2025 | 2026 | 2027 | 2028 | |
Descripción de los campos:
1. Encabezado. La etiqueta de marcado de conformidad metrológica siempre deberá llevar como encabezado el texto “SUPERINTENDENCIA DE INDUSTRIA Y COMERCIO”, y a renglón seguido “CONTROL METROLÓGICO” en mayúscula.
2. NII. Hace referencia al número de identificación alfanumérico del medidor de combustibles registrado en SIMEL (número NII número de identificación del instrumento) de la Superintendencia de Industria y Comercio. Este número de identificación lo obtiene el OAVM al momento de regularizar el medidor para efectuar el respectivo control metrológico posterior.
3. Nombre del OAVM. Este campo contiene el nombre o razón social del Organismo Autorizado de Verificación Metrológica que efectuó la verificación del medidor de combustibles.
4. Código del OAVM. Corresponde al número de identificación alfanumérico que fue asignado al OAVM una vez autorizado y designado por la Superintendencia de Industria y Comercio. Este número se encuentra registrado en SIMEL.
5. Resultado de la Verificación. Este campo siempre deberá contener la palabra “CONFORME”.
6. Fecha de verificación: Corresponde a la fecha exacta en que se efectuó la verificación metrológica del medidor de combustible, la cual deberá ser fijada de la siguiente manera:
Año / Mes / Día
7. Firma del verificador. En la parte inferior izquierda de la etiqueta, deberá fijarse la firma del verificador al servicio del OAVM que efectuó el procedimiento correspondiente.
8. Fecha próxima verificación. Corresponde a la fecha límite en la cual se vence la verificación metrológica periódica practicada por el OAVM. En este campo, se deberán perforar las casillas correspondientes al día, mes y año en que se vence la verificación periódica.
Características de la Etiqueta. La etiqueta de marcado de conformidad del instrumento de medición debe estar confeccionada con un material resistente a los agentes externos, tanto atmosféricos como abrasivos y a los impactos. Será de tipo adhesivo y autodestructiva al desprendimiento; tendrá forma rectangular y fondo de color amarillo. Sus dimensiones son: sesenta (60) x setenta (70) milímetros, debiéndose mantener dichas proporciones para otros tamaños.
Se deberán mantener las proporciones de la fuente y tamaño dependiendo del tamaño medidor, de combustible en el cual deba fijarse la etiqueta.
El color de fondo de esta etiqueta es amarillo.
7.14. No superación de la verificación metrológica. Cuando un surtidor o dispensador de combustibles no supere la verificación metrológica, como consecuencia de deficiencias detectadas en su funcionamiento durante las pruebas metrológicas llevadas a cabo por el OAVM, la SIC o las Alcaldías Municipales (errores, indicaciones de dispositivos, manipulaciones, etc.), dicho instrumento deberá ser puesto fuera de servicio hasta que se subsanen las deficiencias encontradas previa orden administrativa impartida por esta Entidad.
Quedará retirado del servicio definitivamente, aquel surtidor o dispensador sobre el cual no se tenga constancia de que fue puesto en servicio con posterioridad a la entrada en vigencia de la presente reglamentación técnica metrológica y/o respecto del cual no se haya demostrado su conformidad en los términos señalados en este reglamento.
Los surtidores o dispensadores que son retirados definitivamente del servicio se les darán de baja definitiva.
El proceso a seguir en cualquiera de los casos es el siguiente:
Se debe entregar al titular del instrumento el acta de verificación metrológica donde consten las no conformidades encontradas y se indiquen los resultados de las pruebas y los ensayos. En el acta se advierte al titular, que la no conformidad puede generar la orden de suspensión del instrumento de medición y la posibilidad de que la Superintendencia de Industria y Comercio inicie un proceso administrativo sancionatorio. El acta debe ser impresa y firmada por el verificador y quien atendió la visita. En caso de que la persona que atiende la visita se niegue a firmar el acta, se dejará constancia de dicha circunstancia en el acta.
El acta firmada debe ser incorporada al Sistema de Información de Metrología Legal (SIMEL) de la Superintendencia de Industria y Comercio.
La Superintendencia de Industria y Comercio podrá, si lo considera necesario, expedir el acto administrativo de suspensión de uso del medidor de combustible.
En caso de que el medidor de combustibles ya haya sido reparado, el OAVM debe realizar verificación metrológica después de reparación y registrar dicho procedimiento en el SIMEL.
La etiqueta de inhabilitación se podrá retirar cuando haya actuado el reparador, subsanado la deficiencia respectiva y registrado dicho procedimiento en SIMEL.
Toda manguera del surtidor o dispensador de combustibles que no haya superado la verificación metrológica dispuesta en este reglamento técnico metrológico, deberá llevar adherida una etiqueta fijada en un lugar visible del instrumento o en algún elemento de su instalación, cuyas características, formato y contenido, serán los siguientes:
SUPERINTENDENCIA DE INDUSTRIA Y COMERCIO
CONTROL METROLÓGICO1
Resolución ____ del __ de________ de 2016
NII2:
| Nombre del OAVM3: | Resultado de la Verificación5: NO CONFORME |
| Código del OAVM4: | |
| Fecha de Verificación6: | |
| Firma o Sello7: | |
Descripción de los campos:
1. Encabezado. La etiqueta siempre deberá llevar como encabezado el texto “SUPERINTENDENCIA DE INDUSTRIA Y COMERCIO”, y a renglón seguido “CONTROL METROLÓGICO” en mayúscula.
2. NII. Hace referencia al número de identificación alfanumérico del medidor de combustibles registrado en SIMEL de la Superintendencia de Industria y Comercio, al momento de ser regularizado para su respectivo control metrológico por parte del Organismo Autorizado de Verificación Metrológica.
3. Nombre del OAVM. Este campo contiene el nombre o razón social de OAVM que efectuó la verificación del medidor de combustibles.
4. Código del OAVM. Corresponde al número de identificación alfanumérico que fue asignado al OAVM una vez autorizado y designado por la Superintendencia de Industria y Comercio. Este número se encuentra registrado en SIMEL.
5. Resultado de la Verificación. Este campo siempre deberá contener la palabra “NO CONFORME”.
6. Fecha de verificación: Corresponde a la fecha exacta en que se efectuó la verificación metrológica del medidor de combustibles, la cual deberá ser fijada de la siguiente manera:
Año / Mes / Día
7. Firma o sello. En la parte inferior izquierda de la etiqueta, deberá fijarse la firma del verificador del Organismo Autorizado de Verificación Metrológica que efectuó el procedimiento correspondiente.
Características de la Etiqueta. Esta etiqueta debe estar confeccionada con un material resistente a los agentes externos, tanto atmosféricos como abrasivos y a los impactos. Será de tipo adhesivo y autodestructiva al desprendimiento. Tendrá forma rectangular, sus dimensiones son cuarenta (40) x setenta (70) milímetros, debiéndose mantener dichas proporciones para otros tamaños y fondo de color rojo.
Si por razones de tamaño o sensibilidad del medidor de combustibles no fuera posible aplicar la etiqueta, se colocará en la periferia de su instalación y en la documentación correspondiente exigida en las disposiciones de su regulación específica.
Se deberán mantener las proporciones de la fuente y tamaño dependiendo del medidor, dispensador o medidor de combustible en el cual deba fijarse la etiqueta.
El color de fondo de esta etiqueta es rojo.
7.15. Reparadores. Únicamente respecto de las reparaciones o modificaciones de los medidores de combustibles que impliquen la rotura de precintos, podrán ser realizadas por una persona natural o jurídica inscrita como reparador en el registro de reparadores de SIMEL de la Superintendencia de Industria y Comercio, conforme a lo establecido en el numeral 3.7 de la Resolución SIC 64190 de 2015. El registro se hace por una sola vez.
Los titulares de los medidores, surtidores y/o dispensadores de combustibles líquidos que deban reparar sus equipos, bien sea de manera preventiva o como consecuencia de una orden impartida por la Superintendencia de Industria y Comercio, podrán contratar los servicios de cualquier reparador que se encuentre inscrito en SIMEL.
Para efectos de las reparaciones que se propone llevar a cabo, el reparador que se inscriba en SIMEL deberá precisar, en ese mismo registro, la información que se detalla a continuación.
7.15.1. Información de carácter administrativo y técnico. En la inscripción se deberá incorporar esta información:
a) Nombre y apellido de la persona natural o razón social de la persona jurídica;
b) Número de identificación (CC o NIT);
c) Domicilio principal y secundarios donde realiza sus actividades de reparación o modificación de surtidores, dispensadores y/o medidores de combustibles líquidos;
d) La(s) marca(s), modelo(s) y tipo(s) de medidor(es) que repara, precisando sus características fundamentales;
e) Indicación de la experiencia y conocimientos que posee en la reparación de surtidores, dispensadores y/o medidores de combustibles líquidos.
Adicionalmente, deberá anexar en SIMEL todos los documentos que sirvan de soporte para demostrar su idoneidad, capacidad, experticia y experiencia en la reparación de medidores de combustible.
Una vez inscrito, SIMEL le asignará un número de identificación. Los precintos que ponga el reparador inscrito deberán identificarse con ese número.
7.15.1.1. Carácter público de la información. El registro del reparador en SIMEL tendrá carácter público respecto del nombre, dirección y teléfono del reparador.
7.15.2. Actuaciones de los reparadores. El reparador que haya reparado o modificado un medidor de combustible, una vez comprobado su correcto funcionamiento y que sus mediciones se hagan dentro de los Errores Máximos Permitidos (EMP), deberá retirar la etiqueta de no superación de la verificación metrológica y colocar nuevamente los precintos que haya tenido que levantar para llevar a cabo la reparación o la modificación.
Una vez reparado o modificado de manera satisfactoria el medidor, el reparador deberá registrar la actuación adelantada en SIMEL con indicación del objeto de la reparación o modificación, especificación de los elementos sustituidos, los ajustes y controles efectuados, la indicación de los elementos precintados en el instrumento, la codificación de los precintos utilizados y la fecha de la reparación o modificación. Desde SIMEL se dará de alta el instrumento y podrá ser utilizado por su titular, y además se generará una alerta al OAVM para que efectúe la verificación metrológica después de reparación dentro del término de quince (15) días contados a partir de la fecha de reparación o modificación.
El reparador deberá contar con instrumentos y medios técnicos idóneos que le permitan intervenir el medidor desde el punto de vista metrológico satisfactoriamente.
Si la actuación de un reparador en un medidor no implica la rotura de precintos que hayan sido puestos por el OAVM, esta operación no estará sujeta a posterior verificación por parte del OAVM ni a registro en SIMEL.
PARÁGRAFO. Con independencia del registro del procedimiento efectuado por el reparador en SIMEL, este deberá conservar pruebas documentales de la reparación efectuada tales como copia del acta de reparación donde se incorporen los resultados de los ensayos efectuados, piezas remplazadas si las hubo, fotografías de la EDS y de los medidores reparados y de los precintos colocados, etc. Esta documentación deberá conservarse por un término no inferior a tres (3) años contados a partir del momento en que realizó el procedimiento de reparación.
7.15.3. Régimen de responsabilidad de los reparadores. Los reparadores son responsables del cumplimiento de sus obligaciones dentro del marco establecido en esta resolución.
Con independencia de la imposición de sanciones administrativas a las que haya lugar, si después de verificar la información incorporada en SIMEL por parte del reparador se establece su falsedad o inexactitud, la Superintendencia de Industria y Comercio podrá cancelar el registro en SIMEL.
7.16. Precintos de seguridad
7.16.1. Requisitos mínimos. Sin perjuicio de los requisitos establecidos en el numeral 7.5.11 de esta norma, los precintos que sean utilizados por los OAVM y reparadores deberán ser de dos clases: (i) De tipo cable con cierre rotativo hechos de policarbonato o resina; y (ii) de tipo etiqueta de papel o material plástico autoadhesivo.
Asimismo, deberán como mínimo cumplir los siguientes requisitos:
a) Ser fácil de usar;
b) Debe ser durable y resistente a ruptura accidental, a los agentes externos tanto atmosféricos como abrasivos y a los impactos;
c) Su diseño debe garantizar que solo pueda ser utilizado una vez;
d) Debe destruirse en sus partes esenciales cuando se abra o altere, o que de cualquier forma deje rastro del acceso al surtidor, dispensador y/o medidor de combustible precintado;
e) Debe ser lo suficientemente complejo para evitar la duplicación, y si ello no fuere posible, la numeración no deberá ser reproducida en un periodo inferior a cuatro (4) años, y
f) Debe poseer un código de barras que cumpla con el estándar de captura de información establecido en la Norma Internacional ISO/IEC 18004:2015 incluyendo identificadores de aplicación y Función 1. La información que debe contener el código de barras es la siguiente:
(i) Identificación única, global e inequívoca del OAVM o reparador; de trece (13) números, que no sea asignado de forma unilateral;
(ii) Número serial del precinto de seguridad asignado en orden consecutivo, compuesto por una codificación alfanumérica que combine máximo veinte (20) caracteres escogidos por el OAVM o por el reparador.
7.16.2. Registro de precintos de seguridad. El OAVM debe registrar en SIMEL la serie de numeración de los precintos de seguridad que utilizará en el ejercicio de sus funciones.
7.16.3. Responsabilidad en uso de los precintos. Cuando el medidor de combustible incorpore precintos de dispositivos electrónicos como son la asignación de nombre de usuario y contraseña para efectos de ajustar los parámetros de determinación de los resultados de medición del instrumento, su titular es responsable por la custodia e integridad del precinto electrónico. Del mismo modo, el titular del instrumento también es responsable de la integridad de los precintos que fueron puestos por el fabricante del medidor, o por el OAVM o reparador en ejercicios de sus respectivas funciones. Asimismo, tanto OAVM como reparadores son responsables de la custodia de los precintos que utilizan en el ejercicio de sus funciones.
7.17. Régimen sancionatorio. La inobservancia a lo dispuesto en el presente reglamento técnico, dará lugar a la imposición de las sanciones previstas en el artículo 61 de la Ley 1480 de 2011, previa investigación administrativa por esta Entidad.
7.18. Régimen de transición. Los surtidores, dispensadores o medidores de combustibles producidos en el país o importados antes de la fecha de entrada en vigencia del presente reglamento técnico, únicamente podrán ser comercializados hasta seis (6) meses después de la fecha señalada en el artículo 4o de esta resolución.
ARTÍCULO 2o. El Anexo No 1 de la presente resolución sobre “procedimientos de ensayos y formato del informe de ensayos para efectos de certificar la conformidad de un modelo o tipo de dispensador de combustibles líquidos para automotores”, hace parte integral de este reglamento técnico.
ARTÍCULO 3o. El Anexo No 2 de la presente Resolución, “MODELO DE DECLARACIÓN DE LA CONFORMIDAD PARA SURTIDORES, DISPENSADORES Y/O MEDIDORES DE COMBUSTIBLES LÍQUIDOS”, hace parte integral de este reglamento técnico y es obligación del productor y/o importador utilizarlo conforme a las instrucciones que allí se describe para demostrar la conformidad de sus productos en la forma que lo establece este reglamento técnico.
ARTÍCULO 4o. La presente resolución entrará en vigencia seis (6) meses después de la fecha de su publicación en el Diario Oficial, salvo la verificación metrológica establecida en el numeral 7.10 del reglamento técnico, la cual es obligatoria a partir de la publicación de este acto administrativo en el Diario Oficial.
Publíquese y cúmplase.
Dada en Bogotá, D. C., a 10 de noviembre de 2016.
El Superintendente de Industria y Comercio,
PABLO FELIPE ROBLEDO DEL CASTILLO.
PROCEDIMIENTO DE PRUEBAS Y ENSAYOS PARA LA EVALUACIÓN DE LA CONFORMIDAD DE LOS MEDIDORES DE COMBUSTIBLES LÍQUIDOS.
Este documento se ocupa de las pruebas y ensayos a los que deben ser sometidos los surtidores/dispensadores y/o medidores de combustibles líquidos para efectos de verificar que cumplen con los requisitos metrológicos y técnicos establecidos en el reglamento técnico, los cuales son suficientes para demostrar su conformidad.
Las pruebas y ensayos están diseñados para realizarse en un surtidor/dispensador y/o medidor de combustibles completo, no de sus componentes. Sin embargo, si los componentes de un surtidor/dispensador de combustible han sido aprobados previamente, es posible reducir el número de pruebas.
2. EQUIPO DE PRUEBA Y CONDICIONES DE LOS ENSAYOS.
Temperatura ambiente: excepto en casos en que se especifique de algún otro modo, la temperatura ambiente no debe variar en más de 10oC durante la prueba. La temperatura ambiente debe medirse cerca al surtidor/dispensador y al equipo de prueba. La diferencia máxima de temperatura entre el ambiente y el líquido es 10oC. La temperatura del líquido debe medirse en la medida de prueba.
Humedad relativa: excepto en casos en que se especifique de otro modo, debe estar entre 30% y 80%, y entre 60% ± 15% para los surtidores/dispensadores electrónicos, en las pruebas de rendimiento.
Presión atmosférica: entre 86 kPa y 106 kPa.
Voltaje del suministro principal de energía: voltaje nominal. Frecuencia del suministro principal de energía: frecuencia nominal. Líquido de prueba: dos alternativas, en orden de preferencia:
– Probar un surtidor/dispensador con un líquido con el que se planea usar el surtidor/dispensador.
– Probar un surtidor/dispensador con un líquido apropiado que tenga una viscosidad similar a la del líquido con el cual se planea usar el surtidor/dispensador.
Para un surtidor/dispensador destinado a medir líquidos con diferentes características, especialmente diésel y gasolina, de ser apropiado se deben hacer los ensayos para cada categoría de producto.
Volumen del tanque de abastecimiento: Debe tener una capacidad suficiente para que no se produzca espuma en el líquido ni aumento de la temperatura durante las pruebas de rendimiento.
Medidas de prueba estándares y su uso: Deben ser acordes con la Recomendación Internacional OIML R 120 “Medidas de capacidad estándares para probar sistemas de medición de líquidos distintos al agua”.
Operaciones preliminares: Cada vez que el surtidor/dispensador se conecta hidráulicamente, debe ser operado a la capacidad de flujo máxima (Qmax), al menos durante cinco (5) minutos, antes de iniciar la medición.
Cada vez que se inicie una nueva sesión de trabajo (por ejemplo, después de haber parado durante una hora o más tiempo), se debe operar el surtidor/dispensador a Qmax, al menos durante un minuto, antes de iniciar la medición.
Símbolos, unidades y ecuaciones:
Pu Precio unitario (precio/L)
t Tiempo (s)
Q Tasa de flujo del líquido (L/min)
Vi Indicación del volumen del surtidor/dispensador (L)
Pi Indicación del precio (o precio impreso, si no está equipado con un indicador de precio) del surtidor/dispensador (precio)
Pc Precio calculado (precio)
Vn Indicación del volumen de la medida de prueba o volumen calculado a partir de los pulsos simulados (L)
T Temperatura del líquido en la medida de prueba (oC)
Tr Temperatura de referencia de la medida de prueba (oC)
Tm Temperatura del líquido que pasa a través del medidor (oC)
Ev Error en la indicación del volumen (%)
Ep Error en la indicación del precio (precio)
Qa Tasa de flujo del aire (L/min)
Va Volumen del aire (L)
Coeficiente de expansión cúbica del líquido de prueba debido a la temperatura (oC–1)
Coeficiente de expansión cúbica de la medida de prueba debido a la temperatura (oC1)
Vnc Volumen de la medida de prueba, compensado para la desviación de la temperatura de referencia (L)
Vmc Volumen que pasa a través del medidor, compensado para la desviación de la temperatura de referencia (L)
Valor medio del error de indicación (% o precio)
![]()
Pc= Vi x Pu
Ev= (Vi– Vn) / Vn x 100; Vn se puede reemplazar con Vnc, de ser apropiado.
Ep= Pi x Pc
Q = (Vi x 60) / t
Vnc= Vn x [1 + â(T – Tr)]
= [E(1) + E(2) + ... + E(n)] / n
Rango = error máximo – error mínimo (% o precio)
![]()
Nota: Si se registran diferencias significativas entre la temperatura del líquido en el medidor y la medida de prueba, se calcula una corrección sobre el volumen de líquido que pasa a través del medidor, de la siguiente manera:
Vmc= Vnc x [1 + á (Tm– T)]
y en este caso Vnc se va a reemplazar con Vmc en todo el texto. Si no se conoce â, se pueden usar los siguientes valores. Material â(oC–1).
(Incertidumbre: 5 x 10–6oC–1)
Vidrio de boro-sílice 10 x 10–6
Vidrio 27 x 10–6
Acero dulce 33 x 10–6
Acero inoxidable 51 x 10–6
Cobre, Latón 53 x 10–6
Aluminio 69 x 10–6
3.1. Determinación del intervalo de caudal del líquido
El intervalo de caudal de líquido se puede obtener bajo condiciones de arranque/detención enérgicas por medio del siguiente procedimiento:
1. Restablecer el indicador de volumen a cero. Inserte la boquilla en un recipiente de capacidad adecuada (véase abajo el paso 3) o de nuevo en el tanque de suministro.
2. Encienda la bomba. Cuando la indicación del volumen se encuentre en un número entero de litros, inicie el cronómetro. Se debe observar la indicación del volumen en la que se inició el cronómetro.
3. Después de al menos 30 segundos, detenga el cronómetro cuando la indicación del volumen esté en un número entero de litros.
4. Calcule la tasa de flujo Q a partir de:
Q = Vi(60 / t)
Donde: Vi = la diferencia entre la indicación del volumen registrado en el paso 3 y la indicación del volumen registrado en el paso 2, y t = el tiempo transcurrido en segundos en el cronómetro en el paso 3.
3.2. Ensayo de precisión
Objeto del ensayo
Verificar que cada resultado de medición en cada intervalo del caudal del líquido de tal manera que cumpla con los requisitos concernientes a los errores máximos permitidos establecidos en el reglamento técnico metrológico.
Procedimiento de la prueba
Ajuste el intervalo de caudal de líquido con precisión; utilice posiciones fijas de la válvula de la boquilla o inserte una válvula de flujo completo que se ajuste entre la boquilla y la manguera.
Antes de efectuar el ensayo de resistencia, se deberá probar la precisión del surtidor/dispensador en seis tasas de caudal de líquido desde Qmax hasta Qmin (para los surtidores/dispensadores de mezcla en los grados mínimos y máximos más al menos un grado intermedio).
Se llevarán a cabo tres (3) pruebas independientes e idénticas en cada tasa de caudal de líquido.
Nota: Para los surtidores/dispensadores de mezcla, las tasas de flujo máximas y mínimas alcanzables pueden ser diferentes para cada grado.
Las seis tasas de flujo se calcularán a partir de:
Q = KnF–1 x Qmax
Donde nF es un número de secuencia de la prueba de velocidad de flujo, y
Donde NF es el número de caudales.
Cuando Qmax / Qmin = 10, esto da
Para contadores mecánicos, se realizará la prueba en no menos de dos precios unitarios que corresponden a los pares de torque máximos y mínimos. Esto está generalmente cercano a los precios unitarios máximos y mínimos.
Para contadores electrónicos, se realizará la prueba en el precio unitario máximo.
Tanto para los contadores mecánicos como electrónicos, una de las pruebas de precisión se efectuará en la tasa de intervalo de caudal de líquido y el precio unitario máximo indicado en la aplicación.
El volumen de la prueba debe determinarse de modo que la incertidumbre global no supere la quinta parte del error máximo permitido en la línea B de la Tabla No 1 prevista en el numeral 7.5.4. de este reglamento técnico metrológico. La medida del ensayo no debe ser menor que la cantidad de medida mínima.
1. Ajuste el precio unitario máximo Pu.
2. Ajuste y determine la tasa de flujo Q de acuerdo al punto 3.1, los pasos 1 a 4.
3. Humedezca y vacíe el exceso de la medida de prueba.
4. Cambie la indicación del surtidor/dispensador.
5. Llene la medida de prueba a la tasa de flujo fijada, sin detenerse si es posible.
6. Lea Pu, Vi, Pi, Vn y T.
7. Calcule Vnc, Pc, Ev y Ep.
8. Vacíe la medida de prueba.
9. Repita los pasos del 4 al 8 dos veces más y calcule el valor promedio de los errores Ev y el rango de estos errores.
10. Cambie el precio unitario, si es necesario.
11. Repita los pasos 2 a 10 en los otros cinco caudales.
12. Repita los pasos 1 a 11, en los grados mencionados anteriormente para el surtidor/dispensador de mezcla solamente.
13. Dibuja una curva con en función de Q para cada grado (opcional)
Después del ensayo de resistencia, se prueba la precisión del surtidor/dispensador en tres caudales: Q (1), Q (4) y Q (6). El precio por unidad Pu será el mismo que en la determinación de la curva de error inicial.
3.3. Ensayo de cantidad de medida mínima
Objeto del ensayo
Determinar el error de indicación del volumen Ev cuando el surtidor/dispensador suministra la cantidad de medida mínima.
Equipo de pruebas
Medida de prueba que tenga un volumen igual a la cantidad de medida mínima, como se indica en la solicitud.
Procedimiento del ensayo
El surtidor/dispensador se prueba en Qmin y, si es posible, en el nivel de intervalo de caudal de líquido más alto posible de la medida de ensayo. Se realizarán tres pruebas independientes e idénticas en cada tasa de flujo.
1. Ajuste y determine la tasa de flujo Q de acuerdo con 3.1, los pasos 1 a 4.
2. Humedezca y vacíe el exceso de la medida de prueba.
3. Restablezca la indicación del surtidor/dispensador.
4. Llene la medida de prueba en la tasa de flujo fijada, sin detenerse si es posible.
5. Lea Vi, Vn y T.
6. Calcular Vnc y Ev.
7. Vacíe la medida de prueba.
8. Repita los pasos del 4 al 7 dos veces.
9. Repita los pasos 2 al 8 en la otra tasa de flujo si es posible.
10. Repita los pasos 1 a 9, en los grados mencionados en el punto 3.2 para el surtidor/dispensador de mezcla solamente.
3.4. Ensayo de interrupción de flujo
Objeto del ensayo
Determinar el efecto de las variaciones de presión repentinas en la precisión de las indicaciones de volumen y precio.
Procedimiento del ensayo
Este ensayo se realiza tres (3) veces en la tasa de flujo máxima. El volumen de ensayo debe ser por lo menos el volumen suministrado en un minuto a Qmax. Usando la válvula de la boquilla, se debe iniciar y detener abruptamente el flujo del líquido cinco (5) veces durante la misma medición. Estas interrupciones se realizarán en varios intervalos.
La tasa de flujo se determinará de acuerdo con el punto 3.1, los pasos 1 al 4.
1. Ajuste el precio unitario máximo Pu.
2. Ajuste el caudal hasta Qmax
3. Moje y escurra la medida de prueba.
4. Restablezca la indicación del surtidor/dispensador.
5. Llene la medida de prueba hasta Qmax, con 5 paradas.
6. Leer Pu, Vi, Pi, Vn y T.
7. Calcule Vnc, Pc, Ev y Ep.
8. Escurra la medida de prueba.
9. Repita los pasos del 4 al 8 dos veces, y calcule los valores promedios de Ev y Ep
10. Repita los pasos 1 a 9, en los grados mencionados en 3.2 solamente para el surtidor/dispensador de mezclas.
3.5. Ensayo para dispositivo de eliminación de gas
Este ensayo aplica únicamente para surtidores de combustibles líquidos ya que cuentan con su propia bomba y motor eléctrico para succionar el combustible del tanque de almacenamiento.
Objeto del ensayo
Determinar la eficiencia del dispositivo de eliminación de gas.
Equipo de pruebas
Medidor de gas, válvulas, medidor de presión (cuando sea pertinente) y una medida de prueba con una capacidad correspondiente a, por lo menos, el mayor de los siguientes valores:
– Volumen suministrado en un minuto al intervalo del caudal de líquido máximo.
– 1000 veces el intervalo de escala, o
– La cantidad de medida mínima.
Procedimiento del ensayo
El aire es aspirado generalmente hacia el surtidor a través de una entrada especial, ya sea aguas arriba de la bomba por medio de succión, o aguas abajo de la bomba bajo presión. En cualquier caso, la entrada de aire debe estar equipada con una válvula de control, una válvula de cierre y una válvula antirretorno para evitar que el líquido penetre en la entrada y drene hacia afuera del surtidor. Cuando el aire sea introducido bajo presión, deberá proveerse de un manómetro como medio para medir la presión del aire, con el fin de calcular el volumen del aire bajo presión atmosférica.
La entrada de aire puede estar abierta durante la prueba. Si no está equipada con una válvula de antirretorno aguas arriba de la bomba, debe asegurarse de que el extremo abierto del tubo de aire, la válvula de control y el medidor de gas estén ubicados por encima del nivel más alto del líquido en el surtidor/dispensador.
Se deberá poseer un medidor de gas, cumpliendo con los requisitos de las Recomendaciones Internacionales OIML R 6 y R 31 o R 32, para medir el volumen del aire (Va).
Lleve a cabo una prueba en Qmax sin suministro de aire. Haga por lo menos seis (6) mediciones con la válvula de control abierta en cantidades cada vez mayores hasta que el caudal del líquido de la bomba se detenga. Dibuje una curva de error en función del suministro de aire.
El aire suministrado se expresará como un valor relativo del volumen del líquido medido (Va/Vn). El rango de valores de Va/Vn se especifica en la Tabla No 1. Va es el volumen del aire convertido isotérmicamente a la presión atmosférica.
Tabla. 1
| Viscosidad del líquido de prueba | Con el indicador de gas | Sin el indicador de gas |
| 0 ~ 20% | 0 ~ | |
| >1 mPa.s | 0 ~ 10% | |
El ensayo se realizará a un grado (sin mezclar).
1. Ajuste inicialmente la entrada de aire a 0% a una tasa de flujo máximo de líquido.
2. Humedezca y escurra la medida de prueba.
3. Ponga a funcionar el surtidor/dispensador durante al menos un minuto para asegurarse de que las condiciones son estables.
4. No apague el surtidor/dispensador. Lea la indicación del volumen del surtidor/dispensador (Vi1) y la indicación del medidor de gas (Va1).
5. Llene la medida de prueba a una tasa de flujo máximo alcanzable.
6. Note si hay burbujas de aire en el indicador de gas si está instalado.
7. Lea la indicación del volumen del surtidor/dispensador (Vi2) y la indicación del medidor de gas (Va2).
8. Calcule Vi (=Vi2 - Vi1) y Va (=Va2 - Va1), y lea Vn y T.
9. Calcule Vnc, Ev y Va / Vn (o Va / Vnc en su caso).
10. Vacíe la medida de la prueba.
11. Repita los pasos 2 a 9 por lo menos cinco veces en el caso de sistemas con indicador de gas o hasta que el flujo del líquido se detenga después de haber aumentado la entrada de aire para cada ciclo en un 4% para líquidos con viscosidades que no excedan 1 mPa.s
Notas
-- Para los surtidores de combustibles líquidos para vehículos de motor diésel, esta prueba será realizada con combustible tipo diésel.
-- Esta prueba en el dispositivo de eliminación de gas se lleva a cabo a la velocidad de flujo máxima alcanzable por el líquido en el dispositivo de eliminación de gas. Por lo tanto, las adaptaciones del procedimiento antes mencionado se harán de acuerdo a la configuración del surtidor/dispensador.
3.6. Ensayo de variación en el volumen interno de la manguera
Objeto del ensayo
Determinar el aumento del volumen interno de una manguera bajo presión.
Referencias
Norma Internacional ISO 6801 - 1983, Mangueras de caucho o de plástico - Determinación de la expansión volumétrica.
Equipo de pruebas
Una instalación de prueba, equipada con suministro de líquido, fuente de presión, un manómetro calibrado antes de la prueba, un tubo de vidrio cilíndrico graduado de capacidad adecuada, válvulas y tuberías, como se ilustra en la Figura 2.
Procedimiento del ensayo
1. Todas las válvulas deben estar cerradas antes de la prueba.
2. Conecte la manguera en su posición en la instalación de prueba.
3. Abra las válvulas VA, VB y VC, y llene la fuente de presión, la manguera y el tubo de vidrio con líquido. Abra parcialmente la válvula VD y deje que el líquido corra desde el depósito a través del tubo de vidrio hasta que no se observe ninguna burbuja de aire en el tubo de vidrio. Luego, cierre todas las válvulas.
4. Abra la válvula VD y ajuste el nivel del líquido en la posición adecuada. A continuación, cierre la válvula VD, y lea el nivel X.
5. Abra la válvula VB. Ajuste la fuente de presión hasta que la lectura del manómetro de presión esté estable en la presión máxima de funcionamiento.
6. Cierre la válvula VB.
7. Abra la válvula VC y lea el nivel Y.
8. Calcule - X.
9. Cierre la válvula VC.
10. Repita los pasos 4 al 9 dos veces.
11. Calcule el valor promedio de Y - X.
3.7. Ensayo de resistencia
Objeto del ensayo:
Determinar la estabilidad a largo plazo del surtidor/dispensador.
Procedimiento del ensayo:
Cuando se pretende medir diferentes líquidos con el surtidor/dispensador, la prueba debería llevarse a cabo con el líquido que proporciona las condiciones más severas.
1. Compruebe que la curva de error está dentro del error máximo permitido (ver 3.2).
2. Utilice el surtidor/dispensador durante 100 horas (o 200 h en casos específicos) a una tasa de flujo entre 0.8 x Qmax y Qmax. Por razones prácticas, el volumen puede ser dividido en un número de entregas.
3. Realice el ensayo de precisión después del ensayo de resistencia a Q (1), Q (4) y Q (6) de acuerdo con 3.2.
Nota: Los aditivos pueden afectar la estabilidad a largo plazo del surtidor/dispensador.
4. PROCEDIMIENTOS ADICIONALES DE ENSAYO PARA SURTIDOR/DISPENSADORES ELECTRÓNICOS.
Para los surtidores/dispensadores de combustible equipados con dispositivos electrónicos, además de los ensayos especificados en el numeral 3 de este anexo técnico, se deberán realizar los ensayos que se describen a continuación. Los procedimientos de ensayo son relacionados de manera resumida, adaptados de las publicaciones mencionadas de la IEC. Antes de realizarlos, consulte la Publicación IEC que aplique según corresponda.
Cuando el tamaño y la configuración lo permitan, los ensayos se llevarán a cabo en el surtidor/dispensador completo. De lo contrario, (excepto en el caso de una descarga electrostática y pruebas de susceptibilidad electromagnética) las pruebas pueden ser llevadas a cabo por separado en los siguientes dispositivos:
-- Transductor de medición.
-- Contador.
-- Dispositivo indicador.
-- Dispositivo de suministro de energía, y
-- Dispositivo de corrección, si es el caso.
En la medida en que las descargas electrostáticas y ensayos de susceptibilidad electromagnética se vean involucradas, la autoridad de aprobación puede decidir realizar los ensayos, ya sea en el surtidor/dispensador completo o en el calculador, en función de su configuración; también puede decidir que una aprobación de modelo o examen de tipo que cubre un determinado patrón del surtidor/dispensador con un armazón dado, cubra cualquier otro armazón del mismo patrón.
El equipo sometido a prueba (si no es el surtidor/dispensador completo) deberá incluirse en una simulación de la configuración representativa de la operación normal del surtidor/dispensador. Por ejemplo, el movimiento del líquido puede ser simulado mediante la rotación del eje del generador de impulsos.
Durante estos ensayos, el equipo sometido a prueba (ESP) deberá estar en funcionamiento (es decir, la alimentación de energía deberá estar conectada), excepto para el ensayo cíclico de calor húmedo (condensación) (numeral 4.3.).
4.1. Calor seco (sin condensación) (factor de influencia)
Objeto del ensayo
Verificar que los errores de volumen y las indicaciones del precio no superen los errores máximos permitidos bajo el efecto de la alta temperatura. Todas las demás funciones deben operar correctamente.
Referencias
Publicación IEC 68-2-2, cuarta edición, 1974, Procedimientos básicos de verificación medioambiental, Parte 2: ensayos, Test Bd: calor seco, para disipación de calor de equipos sometidos a prueba ESP con un cambio gradual de la temperatura.
La información básica sobre los ensayos de calor seco es proporcionada en la publicación IEC 68-3-1, primera edición, 1974 y en el primer suplemento 68-3-1A, 1978, Parte 3: Información básica, sección uno; Pruebas de frío y de calor seco. La información básica general sobre los procedimientos básicos de verificación ambiental se proporciona en la publicación CEI 68-1, sexta edición, 1988.
Equipo de pruebas
Cámara de prueba capaz de mantener las temperaturas especificadas dentro de ± 2 o C.
Procedimiento del ensayo
1. Mantener el ESP a 20 o C durante al menos dos horas.
2. Ajuste el precio unitario a un valor opcional entre el precio mínimo unitario y el precio máximo de la unidad y seleccione la mezcla si procede.
3. Ajuste la tasa de flujo o la tasa de flujo simulado a un valor apropiado entre 0.5 x Qmax y Qmax.
4. Restablezca los indicadores del surtidor/dispensador.
5. Haga funcionar la bomba o el generador de impulsos a una tasa equivalente al caudal de volumen durante un minuto a la tasa de intervalo del caudal de líquido máxima. (En general, 50 L pueden ser el valor apropiado para el caudal de volumen para surtidor/dispensadores normales).
6. Lea Pu, Vi, Pi y Vn. (Lea T solo en el caso de la prueba por el flujo de líquido).
7. Calcule Pc, VNC (solo en el caso de prueba por flujo de líquido), Ev y Ep.
8. Cambie la temperatura del ESP a 55 o C a una velocidad no superior a 1 o C / min. Mantener esta temperatura durante al menos dos (2) horas después de que se ha alcanzado la estabilidad. La humedad no debe ser superior a 20 g / m3 o 19% de humedad relativa.
9. Repita los pasos 4 a 7.
10. Vuelva a colocar la temperatura del ESP a 20oC a una velocidad no superior a 1oC/min. Mantener esta temperatura durante al menos 2 horas después de que se ha alcanzado la estabilidad.
11. Repita los pasos 4 a 7.
4.2. Frío (Factor de influencia) Objeto del ensayo
Verificar que los errores de volumen y las indicaciones de los precios no superen los errores máximos permisibles bajo el efecto de una baja temperatura. Todas las demás funciones deben operar correctamente.
Referencias
Publicación IEC 68-2-2, cuarta edición, 1974, Procedimientos básicos de verificación medioambiental, Parte 2: Pruebas, prueba Ad: Frío, para disipación de calor de un ESP con cambio gradual de temperatura.
La información de referencia sobre las pruebas de frío se proporciona en la publicación IEC
68-3-1, primera edición, 1974 y primer suplemento 68-3-1A, 1978, Parte 3: Información básica, primera sección: pruebas de frío y de calor seco. La información básica general sobre los procedimientos básicos de verificación ambiental se proporciona en la publicación CEI 68-1, sexta edición, 1988.
Equipo de pruebas
Cámara de prueba capaz de mantener las temperaturas especificadas de ± 2oC.
Procedimiento del ensayo
1. Mantener el ESP a 20oC durante al menos dos horas.
2. Ajuste el precio unitario a un valor opcional entre el precio mínimo unitario y el precio máximo de la unidad y seleccione la mezcla si procede.
3. Ajuste la tasa de caudal de líquido y tasa de caudal de líquido simulado a un valor apropiado entre 0.5 xQmax y Qmax.
4. Restablezca las indicaciones del surtidor/dispensador.
5. Haga funcionar la bomba o el generador de impulsos a una tasa equivalente al caudal de volumen durante un minuto a la tasa de intervalo de caudal de líquido máximo.
6. Lea Pu, Vi, Pi y Vn. (Lea T solo en el caso de la prueba por el flujo de líquido).
7. Calcular Pc, VNC (solo en el caso de prueba por flujo de líquido), Ev y Ep.
8. Cambie la temperatura del ESP a - 25oC a una velocidad no superior a 1oC / min.
Mantener esta temperatura durante al menos dos horas después de que se ha alcanzado la estabilidad.
9. Repita los pasos 4 a 7.
10. Vuelva a colocar la temperatura del ESP a 20oC a una velocidad no superior a 1oC/min. Mantener esta temperatura durante al menos 2 horas después de que se ha alcanzado la estabilidad.
11. Repita los pasos 4 a 7.
4.3. Calor húmedo, cíclico (condensación) (factor de influencia)
Objeto del ensayo
Verificar que los errores de volumen y las indicaciones de precio no superen los errores máximos permitidos después de exponer el ESP a los efectos de una humedad alta, combinada con cambios cíclicos de temperatura. Todas las demás funciones deben operar correctamente.
Referencias
Publicación IEC 68-2-30, segunda edición, 1980, Procedimientos básicos de verificación medioambiental, Parte 2: Pruebas, prueba Db: Calor húmedo, cíclico (ciclo de 12 h + 12 h), variante de la prueba 1.
La información básica concerniente a las pruebas de calor húmedo se proporciona en la publicación IEC 68- 2-28, segunda edición, 1980: Guía para pruebas de calor húmedo.
Equipo de pruebas
Cámara de pruebas capaz de mantener la temperatura especificada de ± 2oC y la humedad relativa dentro de ± 3%.
Procedimiento del ensayo
1. Mantener el ESP a 20oC y la humedad relativa del 50% durante al menos dos horas.
2. Ajuste del precio unitario a un valor opcional entre el precio mínimo unitario y el precio máximo de la unidad y seleccione la mezcla si procede.
3. Ajuste el caudal o el caudal simulado a un valor apropiado entre 0.5 x Qmax y Qmax.
4. Restablecer las indicaciones del surtidor/dispensador.
5. Haga funcionar la bomba o el generador de impulsos a una tasa equivalente al flujo de volumen durante un minuto a la tasa de flujo máximo.
6. Leer Pu, Vi, Pi y Vn. (Lea T solo en el caso de la prueba por el flujo de líquido).
7. Calcular Pc, VNC (solo en el caso de prueba por flujo de líquido), Ev y Ep.
8. Después de desconectar la energía eléctrica, cambiar la temperatura del ESP de 20oC a 25oC y la humedad relativa por encima del 95%.
9. Cambie la temperatura del ESP de 25oC a 55oC durante tres horas, manteniendo la humedad relativa por encima del 95% durante el cambio de temperatura y las fases de temperatura más bajas. Debería producirse condensación en el ESP durante el aumento de la temperatura.
10. Mantenga la temperatura de 55oC y la humedad relativa de 95% hasta 12 horas después del inicio del aumento de temperatura.
11. Cambie la temperatura del ESP de 55oC a 25oC durante tres a seis horas manteniendo la humedad relativa por encima del 95% durante el cambio de temperatura y las fases de temperatura más bajas. En la primera mitad de ese descenso de temperatura, la temperatura debe bajar de 55oC a 40oC en una hora y media.
12. Mantener la temperatura de 25oC y la humedad relativa por encima de 95% hasta 24 horas desde el inicio de la subida de la temperatura.
13. Repita los pasos 9 a 12.
14. Vuelva a colocar la temperatura del ESP a 20oC y la humedad relativa al 50%, y encienda la energía. Mantenga esta temperatura y la humedad relativa durante al menos dos horas después de que se haya alcanzado la estabilidad.
15. Repita los pasos 2 a 7.
4.4. Variaciones en el suministro de energía (factor de influencia) Objeto del ensayo
Verificar que los errores de volumen y de las indicaciones de precio no excedan los errores máximos permitidos bajo el efecto de la variación del suministro de energía. Todas las demás funciones deben operar correctamente.
Referencias
No se puede hacer referencia a alguna norma internacional en la actualidad.
Equipo de pruebas
Regulador de voltaje.
Procedimiento del ensayo
1. Mantener el ESP en condiciones de referencia.
2. Ajuste el precio unitario a un valor opcional entre el precio mínimo unitario y el precio máximo de la unidad y seleccione la mezcla si procede.
3. Ajuste el intervalo de caudal del líquido o el intervalo del caudal del líquido simulado a un valor apropiado entre 0.5 x Qmax y Qmax.
4. Restablecer las indicaciones del surtidor/dispensador.
5. Haga funcionar la bomba o el generador de impulsos a una tasa equivalente al intervalo del caudal de volumen durante un minuto en el caudal máximo.
6. Lea Pu, Vi, Pi y Vn. (Lea T solo en el caso de la prueba por el flujo de líquido).
7. Calcular Pc, VNC (solo en el caso de prueba por flujo de líquido), Ev y Ep.
8. Cambie el voltaje de la red de suministro a un 110% del valor nominal.
9. Repita los pasos 4 a 7.
10. Cambio del voltaje de la red de suministro a un 85% del valor nominal.
11. Repita los pasos 4 a 7.
4.5. Reducciones en la energía por tiempos cortos (Alteración)
Objeto del ensayo
Verificar, bajo el efecto de interrupciones y reducciones de corta duración del voltaje de red, que o bien no se produzcan fallas significativas, o que se detecten fallos significativos y poder actuar en consecuencia por medio de una instalación de revisión.
Referencias
No se puede hacer referencia a alguna norma internacional en la actualidad.
Equipo de pruebas
Generador de prueba adecuado para reducir la amplitud de uno o más medios ciclos (en los pases por cero) de la tensión de red alterna.
Procedimiento del ensayo
1. Mantener el ESP en condiciones de referencia.
2. Ajuste el generador de prueba a las condiciones especificadas y conéctelo al equipo sometido a prueba.
3. Ajuste el precio unitario a un valor opcional entre el precio mínimo unitario y el precio máximo de la unidad y seleccione la mezcla si procede.
4. Ajuste el intervalo del caudal del líquido o el intervalo del caudal del líquido simulado a un valor apropiado entre 0.5 x Qmax y Qmax.
5. Cambie las indicaciones del surtidor/dispensador.
6. Ponga a funcionar la bomba o el generador de impulsos a una velocidad equivalente a la del flujo de volumen durante unos dos minutos en el caudal máximo.
7. Lea Pu, Vi, Pi y Vn. (Lea T solo en el caso de la prueba por el flujo de líquido).
8. Calcule Pc, VNC (solo en el caso de prueba por flujo de líquido), Ev y Ep.
9. Restablezca las indicaciones del surtidor/dispensador.
10. Encienda la bomba o el generador de impulsos.
11. Reduzca el voltaje de la red de suministro a 100% para medio ciclo y repita nueve veces con un intervalo de al menos 10 segundos.
12. Detenga la bomba o el generador de impulsos en el mismo flujo de volumen o número de pulsos como en el paso 6.
13. Repita los pasos 7 y 8.
14. Repita los pasos 9 y 10.
15. Reduzca el voltaje de la red de suministro en un 50% para un ciclo y repita nueve veces con un intervalo de al menos diez segundos.
16. Detenga la bomba o el generador de impulsos en el mismo flujo de volumen o número de impulsos como en el paso 6.
17. Repita los pasos 7 y 8.
4.6. Ráfagas eléctricas (perturbación)
Objeto del ensayo
Verificar, cuando las ráfagas eléctricas se superponen en el voltaje de la red, que, o bien no se produzcan fallas significativas o que se detecten fallos significativos y actuar en consecuencia por medio de una instalación de revisión.
Referencias
Publicación IEC 801-4, primera edición, 1988, Compatibilidad electromagnética para la medición de procesos industriales y equipo de control, Parte 4: Requisitos para transitorios/ráfagas eléctricas rápidas.
Equipo de prueba
Generador de prueba que tenga una impedancia de salida de 50 Ù y capaz de superponer ráfagas eléctricas, de las cuales cada espiga tenga un valor máximo de 1 kV, un tiempo de subida de 5 ns, una longitud de ráfaga de 15 ms y un periodo de ráfaga (intervalo de tiempo de repetición) de 300 ms, en la tensión de red alterna.
Procedimiento del ensayo
1. Mantener el ESP en condiciones de referencia.
2. Ajuste el generador de prueba a las condiciones especificadas y conectarlo al ESP.
3. Ajuste el precio unitario a un valor opcional entre el precio mínimo unitario y el precio máximo de la unidad y seleccione mezclar si procede.
4. Ajuste el intervalo del caudal del líquido o intervalo del caudal del líquido simulado a un valor apropiado entre 0.5 x Qmax y Qmax.
5. Cambiar las indicaciones del surtidor/dispensador.
6. Haga funcionar la bomba o el generador de impulsos a una tasa equivalente al flujo de volumen durante un minuto en el caudal máximo.
7. Lea Pu, Vi, Pi y Vn. (Lea T solo en el caso de la prueba por el flujo de líquido).
8. Calcule Pc, VNC (solo en el caso de prueba por flujo de líquido), Ev y Ep.
9. Ajuste el generador de prueba en una condición no simétrica entre el suelo de referencia y una línea de la red eléctrica de corriente alterna.
10. Restablezca las indicaciones del surtidor/dispensador.
11. Encienda la bomba o el generador de impulsos.
12. Aplique diez ráfagas positivas y de fase aleatoria, cada una de las cuales tenga una longitud de 15 ms y un intervalo de tiempo de repetición de 300 ms.
13. Detenga la bomba o el generador de impulsos en el mismo flujo de volumen o número de impulsos como en el paso 6.
14. Repita los pasos 7 y 8.
15. Repita los pasos 10 y 11.
16. Aplique diez (10) ráfagas positivas y de fase aleatoria de la misma manera como en el paso 12.
17. Detenga la bomba o el generador de impulsos en el mismo flujo de volumen o número de impulsos como en el paso 6.
18. Repita los pasos 7 y 8.
19. Ajuste el generador de prueba en una condición no simétrica entre el suelo de referencia y la otra línea de la red de alimentación de corriente alterna.
20. Repita los pasos 10 a 18.
4.7. Descargas electrostáticas (alteración)
Objeto del ensayo
Verificar, bajo el efecto de las descargas electrostáticas, que, o bien no se produzcan fallas significativas o que se detecten fallos significativos y actuar en consecuencia por medio de una instalación de revisión.
Referencias
Publicación IEC 801-2, segunda edición, 1991, Compatibilidad electromagnética para la medición de procesos industriales y equipo de control, Parte 2: Requisitos para descargas electrostáticas.
Equipo de prueba
Equipo de pruebas que tenga un condensador de 150 pF, que sea capaz de ser cargado hasta 8 kV de tensión de corriente continua y luego ser descargado a través del ESP, o placa de acoplamiento vertical u horizontal (PAV o PAH) al conectar un terminal a tierra (plano de referencia de tierra) y el otro mediante una resistencia de 330 Ù a las superficies del ESP, PAV o PAH.
Procedimiento del ensayo
Tanto las descargas directas como las indirectas se aplicarán incluyendo el método de penetración de pintura.
Cuando no sean posibles las descargas de contacto (tensión de prueba: 6 kV), se aplicarán las descargas de aire (tensión de prueba: 8 kV).
1. Mantener el ESP en condiciones de referencia.
2. Ajuste el equipo de prueba en las condiciones especificadas.
3. Ajuste el precio unitario a un valor opcional entre el precio mínimo unitario y el precio máximo de la unidad y seleccione la mezcla, si procede.
4. Ajuste intervalo del caudal del líquido o el intervalo del caudal del líquido simulado a un valor apropiado entre 0.5 x Qmax y Qmax.
5. Cambiar las indicaciones del surtidor/dispensador.
6. Ponga a funcionar la bomba o el generador de impulsos a una velocidad equivalente a la del flujo de volumen durante unos dos minutos en el caudal máximo.
7. Lea Pu, Vi, Pi y Vn. (Lea T solo en el caso de la prueba por el flujo de líquido).
8. Calcule Pc, VNC (solo en el caso de prueba por flujo de líquido), Ev y Ep.
9. Restablezca las indicaciones del surtidor/dispensador.
10. Encienda la bomba o el generador de impulsos.
11. Aplique al menos diez descargas, a intervalos de al menos diez segundos, hasta un punto en el que la superficie sea de un acceso normal para el operador.
12. Detenga la bomba o el generador de impulsos en el mismo flujo de volumen o número de impulsos como en el paso 6.
13. Repita los pasos 7 y 8.
14. Repita los pasos 9 a 13. Sin embargo, en el paso 11 aplique las descargas a otros puntos y superficies que son normalmente accesibles para el operador. El número de veces que se repita este paso dependerá del tipo y la configuración del ESP, pero con muchas superficies se probará lo que sea más práctico.
15. Repita los pasos 9 al 13. Sin embargo, en el paso 11 aplique la descarga al PAV o PAH.
4.8. Susceptibilidad electromagnética (perturbación)
Objeto de la prueba
Verificar, bajo el efecto de los campos electromagnéticos, que, o bien no se produzcan fallas significativas o que se detecten fallos significativos y actuar en consecuencia por medio de un centro de chequeo.
Referencias
Publicación IEC 801-3, segunda edición, 1991, Compatibilidad electromagnética para equipos eléctricos y electrónicos, Parte 3: Inmunidad a campos radiados, de radiofrecuencia y electromagnéticos.
Equipo de pruebas
Generador (es) de señal capaz de generar una onda sinusoidal de 80% AM 1 kHz con el rango de frecuencia de 26 a 1 000 MHz, amplificador (es) de potencia, sistema de antena capaz de satisfacer los requisitos de frecuencia, una celda electromagnética transversal (TEM), sistema de monitoreo de intensidad de campo y una cámara blindada.
Procedimiento del ensayo
Con el método de la antena, la prueba se realiza normalmente con el ESP girando en una mesa aislada. La polarización del campo generado por la antena necesita probar cada posición dos veces, una vez con la antena en posición vertical y otra vez con la antena en posición horizontal.
Con el método de célula TEM, el ESP se prueba normalmente en tres ejes perpendiculares entre sí. Sin embargo, la prueba se puede realizar con el ESP en la orientación más sensible, si es el caso.
1. Mantener el ESP en condiciones de referencia.
2. Ajuste el precio unitario a un valor opcional entre el precio mínimo unitario y el precio máximo de la unidad y seleccione la mezcla si procede.
3. Ajuste intervalo del caudal del líquido o intervalo del caudal del líquido simulado a un valor apropiado entre 0.5 x Qmax y Qmax.
4. Restablecer las indicaciones del surtidor/dispensador.
5. Poner a funcionar la bomba o el generador de impulsos a una velocidad equivalente al flujo de volumen para una duración estimada con tiempo suficiente como para barrer la frecuencia en el paso 12 (o en el paso 19).
6. Lea Pu, Vi, Pi y Vn. (Lea T solo en el caso de la prueba por el flujo de líquido).
7. Calcule Pc, VNC (solo en el caso de prueba por flujo de líquido), Ev y Ep.
8. Mantenga la cámara blindada (o la célula TEM) en las condiciones de referencia, y ajuste.
9. La intensidad de campo a 3 V/m. Cuando se use la cámara blindada (método de la antena), ajuste la antena a 1 m de altura y ajuste la intensidad de campo a 3 V/m en la distancia horizontal de 1 m de la antena.
10. Ajuste el ESP en el lugar donde la intensidad de campo se ajustó a 3 V/m en el cuarto blindado (o la célula TEM).
11. Restablezca las indicaciones del surtidor/dispensador.
12. Encienda la bomba o el generador de impulsos.
13. Realice un barrido de frecuencia desde 26 MHz a 500 MHz. La velocidad de barrido no excederá de 0.005 octavas/s (1.5 x 10–3 décadas/s).
14. Detenga la bomba o el generador de impulsos en el mismo flujo de volumen o número de impulsos como en el paso 5.
15. Repita los pasos 6 y 7.
16. Retire el ESP de la cámara blindada (o célula TEM).
17. Ajuste la intensidad de campo a 1 V/m. Cuando se use la cámara blindada (método de la antena), ajuste la antena a 1 m de altura y ajuste la intensidad de campo a 3 V/m en la distancia horizontal de 1 m de la antena.
18. Establezca el ESP en el lugar donde la intensidad de campo se ajustó a 1 V/m en el cuarto blindado (o célula TEM).
19. Repita los pasos 10 y 11.
20. Realice un barrido de frecuencia desde 500 MHz hasta 1 000 MHz. La velocidad de barrido no excederá de 0.005 octava/s (1.5 x 10–3 décadas/s).
21. Repita los pasos 13 y 14.
Notas
(1) Cuando esta prueba se lleve a cabo con un intervalo del caudal del líquido en condiciones reales de funcionamiento, el procedimiento que se ha detallado anteriormente debe modificarse adecuadamente.
(2) El procedimiento anterior puede ser modificado de acuerdo a la configuración del ESP y del equipo de prueba.
Figura 1 - Instalación de la prueba del dispositivo de eliminación de gas.

Figura 2 - Dispositivo de prueba para la variación en el volumen interno de la manguera.

Figura 3 - Instalación esquemática de los surtidores/dispensadores de combustible

FORMATO DE INFORME DE RESULTADOS DE LOS ENSAYOS EFECTUADOS
El informe del ensayo tiene por objeto presentar, en un formato estandarizado, los resultados de las diferentes pruebas que se describen en el presente Anexo Técnico, y para lo cual será presentado el modelo o tipo de un surtidor/dispensador de combustible para vehículos de motor con miras a su aprobación de acuerdo con los requisitos establecidos en el reglamento técnico metrológico.
Los símbolos utilizados en el presente anexo son:
+ = Aprobado
- = Reprobado
emp = Error máximo permitido
CMM= Cantidad de medida mínima
DVEM = Desviación de volumen específico mínimo
DPEM = Desviación de precio específico mínimo
Para cada prueba, la lista de verificación se completará de acuerdo con este ejemplo:
si el instrumento ha pasado la prueba si el instrumento ha fracasado
si la prueba no es aplicable
| + | - |
| x | |
| X | |
| / | / |
INFORMACIÓN GENERAL SOBRE EL MODELO
Solicitud No.: (nueva/modificación) Fabricante:
Solicitante: Representante: Sistema de medición
Designación del modelo:
Caudal máximo: Caudal mínimo: Cantidad medida mínima:
Precio unitario máximo (número de dígitos): Precio máximo de pago (número de dígitos): Rango de temperatura:
Líquidos (o rango de viscosidad): Red eléctrica:
Voltaje: Frecuencia: Consumo: Tipo de pantalla: mecánico/electromecánico/electrónica
Contador
Fabricante:
Designación del modelo: Marca de homologación del modelo: Caudal máximo: Caudal mínimo:
Cantidad de medida mínima: Dispositivo de eliminación de gas
Fabricante:
Designación: Marca de homologación del modelo: Volumen:
Caudal máximo: Caudal mínimo: Presión máxima: Presión mínima:
Transductor de medición
Fabricante:
Designación: Marca de homologación del modelo: Número de impulsos por vuelta:
Se entregará información general sobre otros dispositivos, por ejemplo, calculadora, dispositivo indicador, dispositivo de impresión, unidad de suministro (manguera, boquilla), etc., que hayan sido objeto de pruebas, así como una descripción completa de la configuración del surtidor/dispensador.
LISTA DE VERIFICACIÓN
Nota: La numeración de los elementos se refiere a la Recomendación Internacional OIML R 117 Sistemas de medida de líquidos distintos del agua.
| Requerimiento | + | - | Observaciones |
| DISPOSICIONES GENERALES | |||
| MARCAS Marcas aplicadas de manera legible e indeleble sobre el dial del dispositivo indicador o sobre una placa de datos especial: -- Signo de aprobación del modelo -- Marca de identificación del fabricante o marca de designación -- Número de serie -- Año de fabricación -- Cantidad medida mínima (CMM) -- Tasa de flujo máximo (Qmax) -- Tasa de flujo mínimo (Qmin) -- Presión máxima -- Presión mínima -- Líquidos -- Rango de temperatura | |||
| INDICACIONES Unidad de volumen: litro (l o L) Diferencia entre las indicaciones de volumen de más de un dispositivo indicador | |||
| BIFURCACIONES Y DERIVACIONES Bifurcaciones a favor de la corriente del medidor: el desvío a cualquier contenedor (es) de recepción que no sea la prevista es imposible | |||
| DISPOSITIVOS DE SELLADO Y PLACA DE ESTAMPACIÓN Sellos de fácil acceso y que impidan el acceso a los componentes que permiten la alteración del resultado de la medición sin dañar las juntas, incluyendo la placa de estampación | |||
| REQUISITOS PARA LOS DISPOSITIVOS AUXILIARES DE UN SISTEMA DE MEDICIÓN | |||
| DISPOSITIVO DE AJUSTE Diferencia entre valores consecutivos de la relación Ajuste por medio de derivaciones (Bypass) del medidor es imposible | |||
| DISPOSITIVO INDICADOR DE VOLUMEN Lectura precisa, fácil e inequívoca mediante la simple yuxtaposición Signo decimal claro Intervalo de escala: 1x10n, 2x10n o 5x10n Dispositivo indicador continuo: VDEM Elemento con graduación totalmente visible (excepto el elemento correspondiente al rango máximo del indicador): una revolución corresponde a 10n unidades de volumen autorizado Elemento con graduación totalmente visible: una revolución del elemento corresponde al intervalo de escala del siguiente elemento Elemento con solo una parte de la graduación visible a través de una ventana (excepto el primer elemento): movimiento discontinuo Adelanta una cifra del siguiente elemento cuando el elemento anterior pasa de 9 a 0 Dimensión de la ventana para el primer elemento Ancho de la marca de la escala Aparente espaciado de la escala Dispositivo indicador electrónico: visualización continua de volumen durante el período de medición El dispositivo de ajuste a cero no permite ninguna alteración del resultado Sin indicación de cualquier resultado cuando se reajusta a cero Dispositivo indicador continuo: indicación residual después de reajustar a cero 1/2 de DVEM Dispositivo indicador discontinuo: indica cero sin ninguna ambigüedad | |||
| DISPOSITIVO INDICADOR DE PRECIO Precio por unidad es ajustado e indicado antes de la medición por un dispositivo de visualización; válido para la transacción completa El tiempo transcurrido entre el cambio del precio unitario y antes que empiece la próxima medición: al menos cinco segundos (mutatis mutandis) Lectura precisa, fácil e inequívoca Adelanta una cifra del siguiente elemento cuando el elemento anterior pasa de 9 a 0 El dispositivo de ajuste a cero no permite ninguna alteración del resultado Sin indicación de cualquier resultado cuando se reajusta a cero Unidad monetaria o su símbolo en la proximidad inmediata del dispositivo indicador Dispositivos de ajuste a Cero de indicación de precios e indicación de volumen: El reajuste a cero de cualquiera de ellos implica el reajuste a cero automáticamente el otro | |||
| Dispositivo indicador continuo: DPEM Dispositivo indicador discontinua: DPEM Dispositivo indicador continuo: indicación residual después del reajuste a cero de MSPD Dispositivo indicador discontinua: indica cero sin ninguna ambigüedad | |||
| DISPOSITIVO DE IMPRESIÓN Intervalo de escala de volumen impreso: 1 x 10n, 2 x 10n o 5 x 10n y Unidad de volumen: litros (l o L) Cifras, unidad o símbolo, (y signo decimal) del volumen impreso en el boleto Si está conectado a más de un sistema de medición: identificación de impresión Si se repite la impresión: Las copias se marcan claramente Si se determina el volumen por diferencia entre dos valores impresos: retirar el tiquete durante la medición es imposible Dispositivo de reajuste a cero de la impresora e indicador de volumen: El ajuste a cero de uno de ellos implica ajustar a cero el otro Cifras, unidad monetaria o símbolo, (y signo decimal) del precio impreso en el tiquete Intervalo de escala de precios impresos: 1 x 10n, 2 x 10n o 5 x 10nunidad monetaria y | |||
| DISPOSITIVOS DE PREAJUSTE Si hay varios controles independientes: El intervalo de escala correspondiente a un control es igual al rango de control del siguiente orden más bajo Las cifras de la pantalla de preajuste se distinguen claramente de las del indicador de volumen La indicación de la cantidad seleccionada durante el suministro se mantiene inalterada o vuelve progresivamente a cero La diferencia entre el volumen preestablecido y el volumen indicado La unidad del volumen preestablecido es la misma que la del indicador de volumen Marcación de la unidad de volumen o de su símbolo sobre el mecanismo de preajuste Intervalo de la escala del dispositivo de preajuste intervalo de escala del indicador de volumen (mutatis mutandis para dispositivos de preajuste precio) Si hay varios controles independientes: El intervalo de la escala correspondiente a un control es igual al rango de control de la próxima orden inferior Las cifras de la pantalla de preajuste se distinguen claramente de las del indicador de precios La indicación de la cantidad seleccionada durante el suministro se mantiene inalterada o vuelve progresivamente a cero La diferencia entre el precio preestablecido y el precio indicado La unidad de precio preestablecido es la misma que la del indicador de precios Marcado de la unidad monetaria o su símbolo en el mecanismo de preajuste Intervalo de escala del dispositivo de preajuste intervalo de escala de precio | |||
| REQUISITOS ESPECÍFICOS PARA SISTEMAS DE MEDICIÓN EQUIPADOS CON DISPOSITIVOS ELECTRÓNICOS | |||
| INSTALACIONES DE REVISIÓN PARA TRANSDUCTOR DE MEDICIÓN Cuando cada pulso representa el volumen elemental, al menos el nivel de protección B definido por ISO 6551 Chequeo de Instalaciones de tipo P Intervalo de comprobación que no excede la duración de la medición de la cantidad de líquido igual a DVEM Posibilidad de probar la operación del chequeo de las instalaciones durante la aprobación y verificación del modelo | |||
| VERIFICACIÓN DE LAS INSTALACIONES PARA EL CÁLCULO Verificación de las instalaciones para la operación de tipo P o I Intervalo de comprobación para el tipo I en cada suministro Comprobación de instalaciones para la validez del cálculo del tipo P Existencia de un medio para controlar la continuidad | |||
| COMPROBAR LAS INSTALACIONES PARA EL DISPOSITIVO INDICADOR Comprobar las Instalaciones de tipo P o I si se puede reconstituir la indicación Las pruebas “todo se muestra” – “todo borrado” – “todo ceros” con duración de cada secuencia Posibilidad de comprobar el funcionamiento de las instalaciones de chequeo durante la verificación | |||
| Requerimiento | + | - | Observaciones |
| SERVICIO DE REVISIÓN PARA EL DISPOSITIVO DE IMPRESIÓN Servicio de revisión para tipo I o P La revisión incluye la presencia de papel y de circuitos de control electrónicos Posibilidad de comprobar el funcionamiento de las instalaciones de revisión durante la aprobación y verificación del modelo | |||
| OTROS REQUISITOS ESPECÍFICOS PARA SURTIDOR/DISPENSADORES DE COMBUSTIBLE | |||
| Relación entre la tasa de flujo máximo y mínimo: por lo menos diez Si hay una bomba integral: dispositivo de eliminación de gas colocado inmediatamente aguas arriba de la entrada del medidor Si no hay bomba integral: compruebe que los esquemas de instalación proveen los seguros necesarios Presencia de dispositivo para restablecer el indicador de volumen a cero Altura de cifras del indicador de volumen con dispositivo de ajuste a cero Si hay indicador de precio, presencia de dispositivo de ajuste a cero El siguiente suministro se detiene hasta que la boquilla (s) sea sustituida y el indicador llevado a cero Cuando la tase de flujo máximo (Qmax) CMM Surtidor/dispensador de combustible interrumpible Duración mínima de la operación de la pantalla después de un apagón Suministro interrumpido por falta de energía: imposible continuar el suministro si el apagón ha durado más de 15 s Tiempo de retardo entre el valor de medición y los valores indicados Volumen oculto en el comienzo del suministro DVEM Precio Ocultos en el comienzo del suministro DVEM | |||
CONCLUSIÓN DE LAS PRUEBAS
| Solicitud No.: | Fecha: | |||
| Certificado de Conformidad No.: | Fecha: | |||
| No | Descripción de la prueba | + | - | Observaciones |
| 1 | Precisión | |||
| 2 | Cantidad medida mínima | |||
| 3 | Interrupción del flujo | |||
| 4 | Dispositivo de eliminación de gas | |||
| 5 | Variación en el volumen interno de la manguera | |||
| 6 | Prueba de resistencia | |||
| 7 | Calor seco (sin condensación) | |||
| 8 | Frío | |||
| 9 | Calor húmedo, cíclico (condensado) | |||
| 10 | Variaciones de voltaje en el suministro de energía | |||
| 11 | Reducciones de corto tiempo en el suministro de energía | |||
| 12 | Ráfagas eléctricas | |||
| 13 | Descargas electrostáticas | |||
| 14 | Susceptibilidad electromagnética | |||






MODELO DE DECLARACIÓN DE CONFORMIDAD PARA SURTIDORES, DISPENSADORES Y/O MEDIDORES DE COMBUSTIBLES LÍQUIDOS.
2.1. Orientación para completar el formulario de declaración de conformidad
NOTA: Los números 1) a 7) se refieren al modelo de declaración de conformidad del numeral 2.2 de este anexo.
1. Es obligatorio identificar cada declaración unívocamente.
2. Se debe identificar en forma inequívoca al emisor responsable. Persona natural: nombre y número de identificación. Persona jurídica: razón social y NIT. Para grandes organizaciones, puede ser necesario especificar grupos operativos o departamentos.
3. Se debe identificar el “objeto” en forma inequívoca de modo que la declaración de conformidad pueda relacionarse con el objeto en cuestión (por ejemplo: nombre, tipo o modelo, fecha de producción o número de modelo de un producto).
4. Se debe identificar el número de serie del medidor de combustibles y su modelo según certificado de examen de tipo o aprobación de modelo.
5. Una declaración de conformidad alternativa puede ser: “Tal como se entrega, el objeto de la declaración descrito anteriormente está en conformidad con los requisitos de los siguientes documentos”.
6. Es obligatorio que los reglamentos técnicos que establecen los requisitos del instrumento de medición sean listados con sus números de identificación, título, fecha de emisión y país de origen.
7. Aquí debe aparecer texto únicamente si se proporciona alguna limitación en la validez de la declaración de conformidad y/o cualquier información adicional. Esta información puede, por ejemplo, corresponder al apartado 6.2 de la Norma ISO/IEC 17050:2004 o puede hacer referencia al marcado del producto de acuerdo con el Capítulo 9 de esa misma norma. Dicho marcado del producto u otra indicación (por ejemplo, sobre el producto) puede ser un adjunto a la declaración de conformidad.
8. Es obligatorio proporcionar el nombre completo y la función de la o las personas que firman y están autorizadas por la dirección del emisor para firmar en su nombre. El número de firmas o equivalentes que se incluyan será el mínimo determinado por la forma legal de la organización del emisor.
2.2. Modelo de declaración de conformidad.
Declaración de conformidad del proveedor (de acuerdo con la Norma ISO/IEC 17050-1)
1) No ………………………..…..…
2) Nombre del emisor: ………………………………………………………………………….
Dirección del emisor: ………………………………………………………………………….
3) Objeto de la declaración: La presente declaración tiene por objeto demostrar que el surtidor/dispensador de combustibles líquidos con número serial _________________________es conforme con el modelo ______________ marca ________, cuyo certificado de examen de tipo y/o aprobación de modelo No. ___________ hace parte integral de esta declaración, y que además cumplió satisfactoriamente las pruebas metrológicas establecidas en el numeral ___ del reglamento técnico metrológico aplicable a surtidores, dispensadores y/o medidores de combustibles líquidos.
………..…………………………………………………………………….…….
4) El objeto de la declaración anteriormente descrito está en conformidad con los requisitos de los siguientes reglamentos técnicos:
Documento no Título
Edición/Fecha de emisión
5) …………......... ……………………………………………….. ………….…….....…………..
…………......... ………………………………………………..
Información adicional:
6) Como soporte de esta declaración de conformidad, se adjunta a la misma el informe de ensayos No._________ emitido por el laboratorio ___________________ con certificado de acreditación vigente No. ____________.………………………………………………………………………………….….
…………………………………………………………………………………………………………………..
……………………………………………………………………………………………………………………
Firmado por y en nombre de:
…………………………………….….…....
…………………………….……….……....
(Lugar y fecha de emisión)
7)…………………………………………….…..…………………………………………………
(Nombre, función)
(Firma o equivalente autorizada por el emisor)
* * *
1. Modificado por el Decreto número 1595 de 2015 que expidió las normas relativas al Subsistema Nacional de la Calidad y modificó el Capítulo 7 y la Sección 1 del Capítulo 1 de la Parte 2 del Libro 2 del Decreto número 1074 de 2015 Decreto Único Reglamentario del Sector Comercio, Industria y Turismo.
2. Ibídem.
3. Página 7 del concepto de abogacía de la competencia. Radicado número 15-311687-12-0.
4. Clasificación adoptada de la Recomendación de la Organización Internacional de la Metrología Legal (OIML) R-117-1 edición 2007, “Dynamic measuring systems for liquids other tan water Parte 1: Metrological and technical requirements” páginas 20 a 23.
5. Calibration and Measurements Capabilities (CMC).
6. Bureau International des Poids et Mesures (BIPM).